LEMON Manuals: Even more car manuals for everyone: 1960-2025
Home >> Toyota >> 2025 >> Sequoia TRD Pro >> Repair and Diagnosis >> External Pages >> Different car >> Section 231 (Occupant Classification System - Diagnostics - Introduction) >> Occupant Classification System >> System Diagram [09/2014 - ] >> System Diagram [09/2014 - ]
April 5, 2026: LEMON Manuals is launched! Read the announcement.

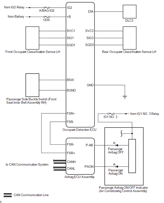
System Diagram [09/2014 - ]

WARNING: This page does not describe the selected car, but rather 21 other vehicles, including the 2024 Lexus RC 350, 2024 Lexus RC 300, 2023 Lexus RC 350, 2023 Lexus RC 300, and 2022 Lexus RC 350. However, it is still accessible from the selected car via links, so may be relevant.
GTY515318Courtesy of © TOYOTA, LICENSE AGREEMENT TMS1002