LEMON Manuals: Even more car manuals for everyone: 1960-2025
Home >> Acura >> 2002 >> 3.2CL Base >> Repair and Diagnosis >> External Pages >> Different variant/trim >> Section 1 (Vehicle Stability Assistance System) >> Removal & Installation >> Modulator Unit >> Removal
April 5, 2026: LEMON Manuals is launched! Read the announcement.

Modulator Unit: Removal

WARNING: This page is about a different variant/trim than selected.

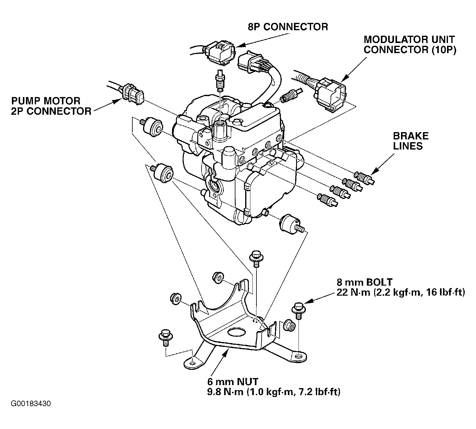
Disconnect the modulator unit connector (10P), the 8P connector, and the pump motor 2P connector. See Fig 1 .

Fig 1: Exploded View Of Modulator Unit
G00183430Courtesy of AMERICAN HONDA MOTOR CO., INC.