LEMON Manuals: Even more car manuals for everyone: 1960-2025
Home >> Acura >> 2003 >> 3.2TL Base >> Repair and Diagnosis (Single Page) >> Brakes >> Traction Control >> Anti-Lock/Traction Control >> Removal & Installation >> Modulator-Control Unit >> Removal
April 5, 2026: LEMON Manuals is launched! Read the announcement.

Modulator-Control Unit: Removal

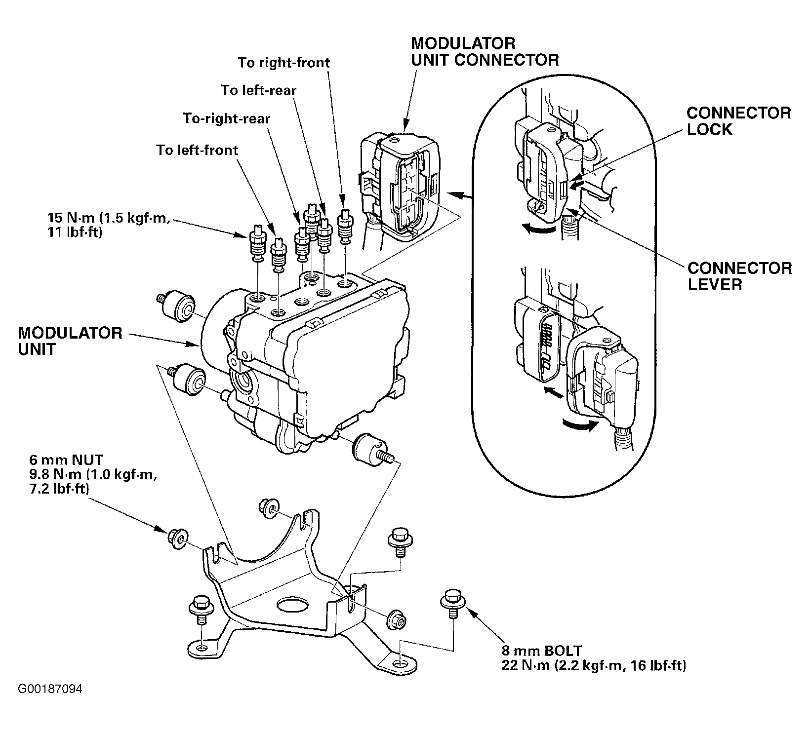
Push the modulator unit connector lock, and turn the connector lever. See Fig 1 . Disconnect the modulator unit connector. Disconnect the brake lines, then remove the modulator unit.

Fig 1: Exploded View Of Modulator Unit
G00187094Courtesy of AMERICAN HONDA MOTOR CO., INC.