LEMON Manuals: Even more car manuals for everyone: 1960-2025
Home >> Cadillac >> 1993 >> Allante >> Repair and Diagnosis >> Engine Performance >> System >> Engine Controls - System & Component Testing >> Emission System & Sub-Systems >> Exhaust Gas RECIRCULATION (EGR) System Check
April 5, 2026: LEMON Manuals is launched! Read the announcement.

Exhaust Gas RECIRCULATION (EGR) System Check

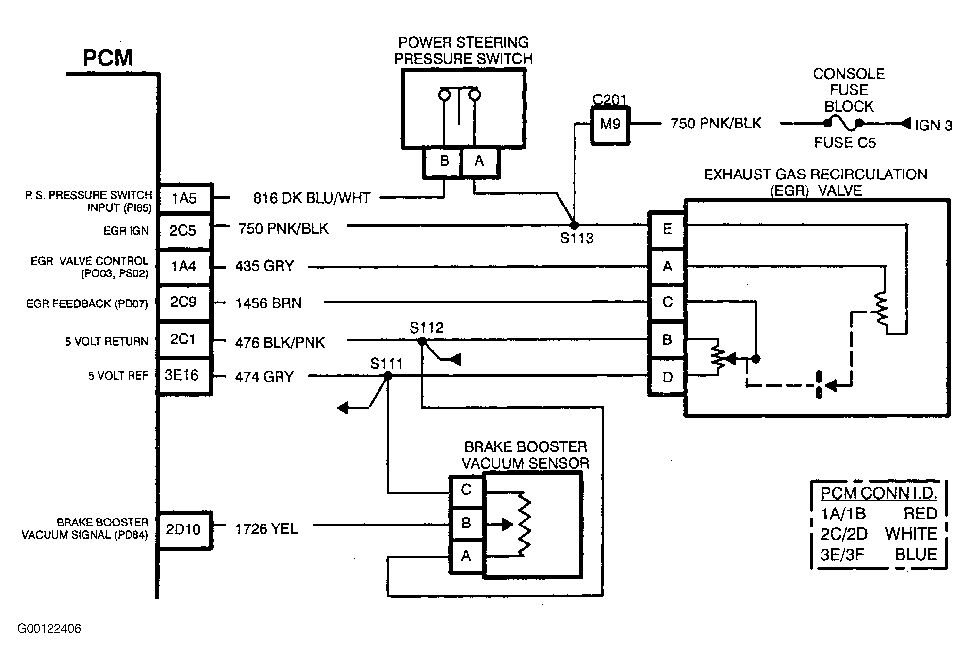
NOTE: For testing, see Fig 1 . For circuit identification, see Fig 2 .

This procedure tests the EGR systems ability to functionally regulate the amount of exhaust gas fed to the engine.

NOTE: Numbers in list refer to circled numbers in diagnostic flow chart.
  1. Checking if by using PCM overrides the EGR valve can be shut off (less than 103 counts).
  2. Checking if by using PCM overrides the EGR valve can return to full on (greater than 200 counts).
  3. Checking CKT 750 and fuse C5 for an open. See Figure and Figure .
  4. Checking if EGR valve is open circuited.
  5. Checking if CKT 435 is open.
  6. Checking if PCM is open internally or if CKT 435 is shorted to voltage.
  7. EGR valve control circuits are OK. Checking to see if the EGR valve can respond correctly to the signal being sent to it from the PCM.
Fig 1: Exhaust Gas Recirculation (EGR) System Check Flow Chart
G00122407Courtesy of GENERAL MOTORS CORP.
Fig 2: Exhaust Gas Recirculation (EGR) System Check Schematic
G00122406Courtesy of GENERAL MOTORS CORP.