LEMON Manuals: Even more car manuals for everyone: 1960-2025
Home >> Cadillac >> 2002 >> Escalade EXT >> Repair and Diagnosis >> External Pages >> Different car >> Section 347 (Engine Controls - PID Values, Pcm Connector Views And Terminal Identification) >> Powertrain Control Module Location
April 5, 2026: LEMON Manuals is launched! Read the announcement.

Powertrain Control Module Location

WARNING: This page is about a different car, the 2003 Oldsmobile Aurora. However, it is still accessible from the selected car via links, so may be relevant.

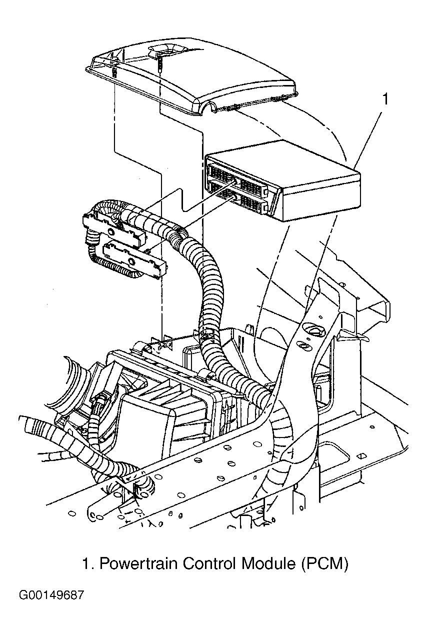
The powertrain control module is located on the left side of engine compartment under the air cleaner. See Fig 1.

Fig 1: Locating Powertrain Control Module
G00149687Courtesy of GENERAL MOTORS CORP.