LEMON Manuals: Even more car manuals for everyone: 1960-2025
Home >> Cadillac >> 2024 >> LYRIQ Tech, AWD >> Repair and Diagnosis (Single Page) >> Accessories & Equipment >> Drivers Assistance Systems - ADAS >> Driver Assistance Systems - Schematic Wiring Diagrams >> Schematic Wiring Diagrams >> Driver Assistance Systems Wiring Schematics >> Collision Mitigation - Module Power, Ground, Sub-System References, and Vehicle Dynamic Sensor (UKR)
April 5, 2026: LEMON Manuals is launched! Read the announcement.

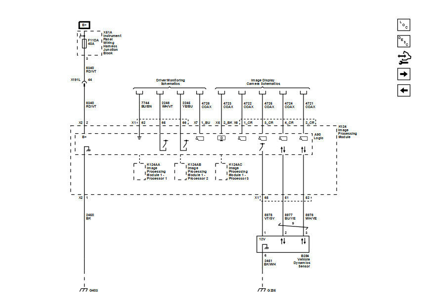
Collision Mitigation - Module Power, Ground, Sub-System References, and Vehicle Dynamic Sensor (UKR)

GM6153443Courtesy of GENERAL MOTORS COMPANY