LEMON Manuals: Even more car manuals for everyone: 1960-2025
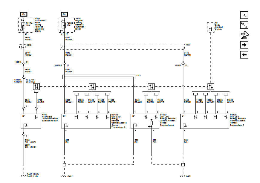
Home >> Cadillac >> 2024 >> LYRIQ Tech, AWD >> Repair and Diagnosis >> Accessories & Equipment >> Anti-Theft Systems >> Keyless Entry And Remote Functions >> Schematic Wiring Diagrams >> Remote Function Wiring Schematics >> Keyless Entry - Virtual Key 2 of 2 (BOR / BOY)
April 5, 2026: LEMON Manuals is launched! Read the announcement.

Keyless Entry - Virtual Key 2 of 2 (BOR / BOY)

GM6153462Courtesy of GENERAL MOTORS COMPANY