LEMON Manuals: Even more car manuals for everyone: 1960-2025
Home >> Dodge and Ram >> 2007 >> Durango 3.7 K >> Repair and Diagnosis >> Engine Performance >> System >> DTC U1418, Pre-Diagnostic Troubleshooting Procedure, Intermittent Condition Check, System Checks, Symptom Tests, Pcm/ECM Programming, Powertrain Verification Test >> *Engine Cranks But Does Not Start >> Circuit Schematic
April 5, 2026: LEMON Manuals is launched! Read the announcement.

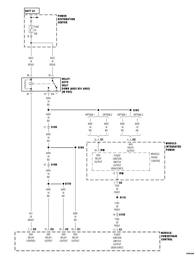
Circuit Schematic

Fig 1: Engine Control Module Circuit Schematic
GC0058142Courtesy of CHRYSLER LLC