LEMON Manuals: Even more car manuals for everyone: 1960-2025
Home >> Honda >> 2003 >> Pilot LX >> Repair and Diagnosis >> Brakes >> Traction Control >> Anti-Lock >> Removal & Installation >> Abs Modulator-Control Unit >> Removal & Installation
April 5, 2026: LEMON Manuals is launched! Read the announcement.

Removal & Installation

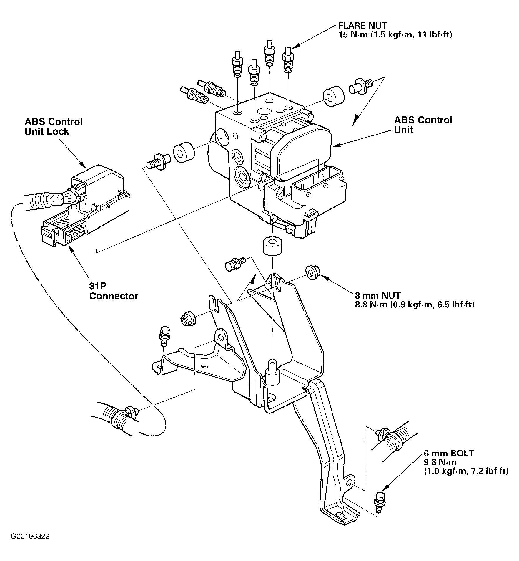
  1. Turn ignition switch off. Disconnect negative cable from battery. Pull up the lock of the ABS control unit 31-pin connector, then disconnect the connector. See Fig 1 . Disconnect 6 brake lines. Remove the two 8 mm nuts. Remove ABS modulator control unit.
  2. To install, reverse removal procedure. Bleed the brake system, starting with the front wheels. Connect the HDS, and do the solenoid function test for each wheel. Bleed the brake system again, starting with the front wheels. Start the engine, and check that the ABS indicator and brake system indicator go off. Test drive the vehicle and check that the ABS indicator and brake system indicator do not come on.
Fig 1: Removing & Installing ABS Modulator Control Unit
G00196322Courtesy of AMERICAN HONDA MOTOR CO., INC.