LEMON Manuals: Even more car manuals for everyone: 1960-2025
Home >> Honda >> 2012 >> Insight Base >> Repair and Diagnosis >> Engine Mechanical >> Mechanical >> Engine Block >> Crankshaft Installation
April 5, 2026: LEMON Manuals is launched! Read the announcement.

Crankshaft Installation

Special Tools Required 

  1. Check the main bearing clearance with a plastigage (see MAIN BEARING CLEARANCE INSPECTION ).
  2. Check the connecting rod bearing clearance with a plastigage (see CONNECTING ROD BEARING REPLACEMENT ).
  3. Install the bearing halves in the engine block and the connecting rods.
  4. Apply new engine oil to the main bearings and the rod bearings.
  5. Install the CKP pulse plate (A) on the crankshaft (B); face the marked side (C) toward the transmission, and align the tab (D) on the CKP pulse plate with the groove (E) on the crankshaft.
    Fig 1: CKP Pulse Plate, Crankshaft, Tab And Crankshaft Groove With Torque Specifications
    G08092003Courtesy of AMERICAN HONDA MOTOR CO., INC.
  6. Hold the crankshaft so rod journal No. 2 and rod journal No. 3 are straight up, and lower the crankshaft into the engine block.
  7. Apply new engine oil to the side with the thrust washer groove. Install the thrust washers (A) in the No. 4 journal.
    Fig 2: Identifying Thrust Washers
    G08092004Courtesy of AMERICAN HONDA MOTOR CO., INC.
  8. Inspect the connecting rod bolts (see CONNECTING ROD BOLT INSPECTION ).
  9. Apply new engine oil to the threads and flanges of the connecting rod bolts.
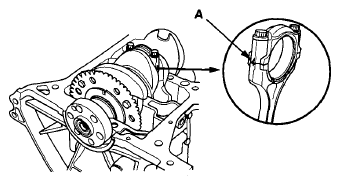
  10. Seat the rod journals into connecting rod No. 1 and the connecting rod No. 4. Line up the mark (A) on the connecting rod and cap, then install the caps and the bolts finger-tight.
    Fig 3: Identifying Connecting Rod Up Mark
    G08092005Courtesy of AMERICAN HONDA MOTOR CO., INC.
  11. Rotate the crankshaft clockwise, and seat the journals into connecting rod No. 2 and connecting rod No. 3. Line up the mark on the connecting rod and the cap, then install the caps and the bolts finger-tight.
  12. Torque the connecting rod bolts to 9.8 N.m (1.0 kgf.m, 7.2 lbf.ft).
    Fig 4: Identifying Connecting Rod Bolt Tightening Angle
    G08092006Courtesy of AMERICAN HONDA MOTOR CO., INC.
  13. Tighten the connecting rod bolts an additional 90°.
    NOTE: Remove the connecting rod bolt if you tightened it beyond the specified angle, and go back to step  8 of the procedure. Do not loosen it back to the specified angle.
  14. Remove all of the old liquid gasket from the bearing cap bridge mating surfaces the bolts, and the bolt holes.
  15. Clean and dry the bearing cap bridge mating surfaces.
  16. Apply liquid gasket (P/N 08717-0004, 08718-0003, or 08718-0009) to the engine block mating surface of the bearing cap bridge. Install the component within 5 minutes of applying the liquid gasket.
    NOTE:
    • Apply a 2.5 mm (0.098 in) diameter bead of liquid gasket along the broken line (A).
    • If you apply liquid gasket P/N 08718-0012, the component must be installed within 4 minutes.
    • If too much time has passed after applying the liquid gasket, remove the old liquid gasket and residue, then reapply new liquid gasket.
      Fig 5: Identifying Liquid Gasket Applying Area Of Engine Block Mating Surface
      G08092007Courtesy of AMERICAN HONDA MOTOR CO., INC.
  17. Put the bearing cap bridge on the engine block.
  18. Apply new engine oil to the threads of the bearing cap bolts.
  19. Torque the bearing cap bolts in sequence to 25 N.m (2.5 kgf.m, 18 lbf.ft).
    Fig 6: Tightening Sequence Of Bearing Cap Bolts
    G08092008Courtesy of AMERICAN HONDA MOTOR CO., INC.
  20. Tighten the bearing cap bolts an additional 40'
    Fig 7: Identifying Bearing Cap Bolt Tightening Angle
    G08092009Courtesy of AMERICAN HONDA MOTOR CO., INC.
  21. Clean the excess liquid gasket off the engine block.
  22. Clean and dry the crankshaft oil seal housing.
  23. Apply a light coat of new engine oil to the lip of the crankshaft oil seal.
  24. Use the driver handle, 15 x 135L, and the oil seal driver attachment, 96 mm, to drive a new crankshaft oil seal squarely into the block to the specified installed height.
    Fig 8: Installing Crankshaft Oil Seal
    G08092010Courtesy of AMERICAN HONDA MOTOR CO., INC.
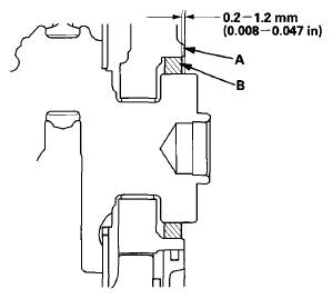
  25. Measure the distance between the cylinder block (A) and the oil seal (B).

    Oil Seal Installed Height: 

    0.2-1.2 mm (0.008-0.047 in) 

    Fig 9: Identifying Distance Between Cylinder Block And Oil Seal
    G08092011Courtesy of AMERICAN HONDA MOTOR CO., INC.
  26. Install the cylinder head (see ROCKER ARM ASSEMBLY INSTALLATION ).
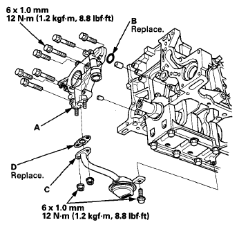
  27. Install the oil pump (A) with a new O-ring (B).
    Fig 10: Oil Pump, O-Ring And Mounting Bolts With Torque Specifications
    G08092012Courtesy of AMERICAN HONDA MOTOR CO., INC.
  28. Install the oil screen (C) with a new gasket (D).
  29. Install the oil pan (see OIL PAN INSTALLATION ).
  30. Install the cam chain (see CAM CHAIN INSTALLATION ).
  31. Connect the CKP sensor connector (A), then install the CKP sensor cover (B).
    Fig 11: CKP Sensor Connector, Cover And Bolts With Torque Specifications
    G08092013Courtesy of AMERICAN HONDA MOTOR CO., INC.
  32. Install the harness cover (C).
  33. Install the IMA motor rotor position sensor (see IMA MOTOR HOUSING REMOVAL/INSTALLATION ), the IMA motor housing (see IMA MOTOR HOUSING REMOVAL/INSTALLATION ), and the IMA motor rotor (see IMA MOTOR ROTOR REMOVAL/INSTALLATION ).
  34. Install the transmission (see TRANSMISSION INSTALLATION ).
  35. Install the engine/IMA motor/transmission assembly (see ENGINE INSTALLATION ).
    NOTE: When any crankshaft or connecting rod bearing is replaced, run the engine at idle until it reaches normal operating temperature, then continue to run it for about 15 minutes.