LEMON Manuals: Even more car manuals for everyone: 1960-2025
Home >> Honda >> 2014 >> Accord Plug-In >> Repair and Diagnosis (Single Page) >> Accessories & Equipment >> Anti-Theft Systems >> Keyless Entry / Power Door Locks / Security System - Service, Testing & Troubleshooting (Hybrid) >> Circuit Diagram >> Keyless Access System Circuit Diagram (2015 2017)
April 5, 2026: LEMON Manuals is launched! Read the announcement.

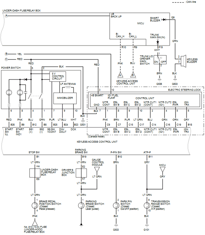
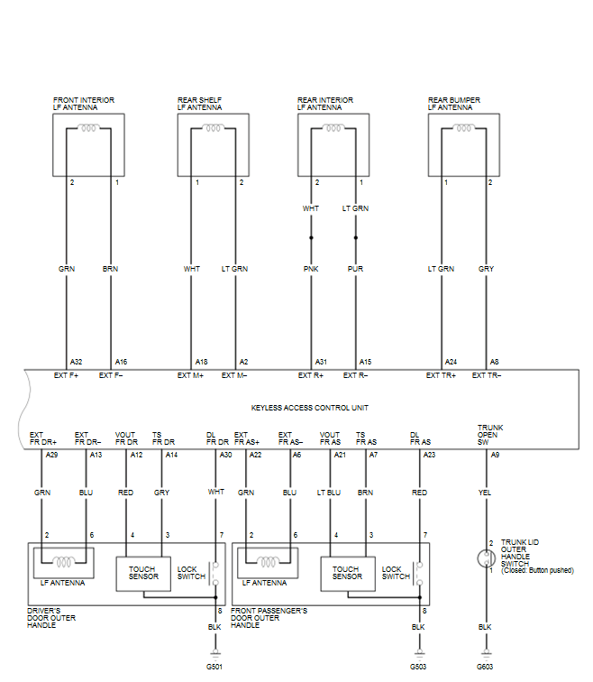
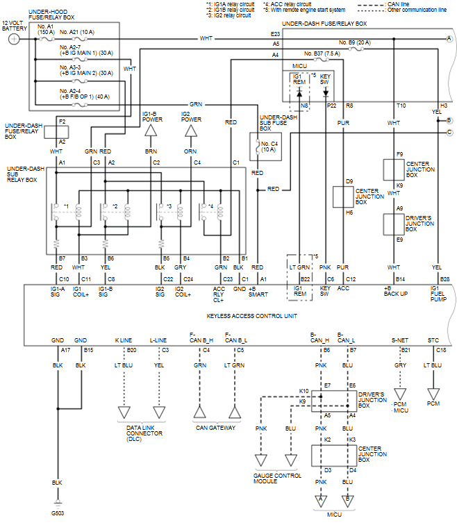
Keyless Access System Circuit Diagram (2015 2017)

GHH262282Courtesy of HONDA, U.S.A., INC.
GHH262283Courtesy of HONDA, U.S.A., INC.
GHH262284Courtesy of HONDA, U.S.A., INC.