LEMON Manuals: Even more car manuals for everyone: 1960-2025
Home >> Honda >> 2014 >> Accord Plug-In >> Repair and Diagnosis (Single Page) >> Accessories & Equipment >> Communication Devices >> Integrated Control Systems - Service, Testing & Troubleshooting (Hybrid) >> Circuit Diagram >> Driving Position Memory System (DPMS) Circuit Diagram
April 5, 2026: LEMON Manuals is launched! Read the announcement.

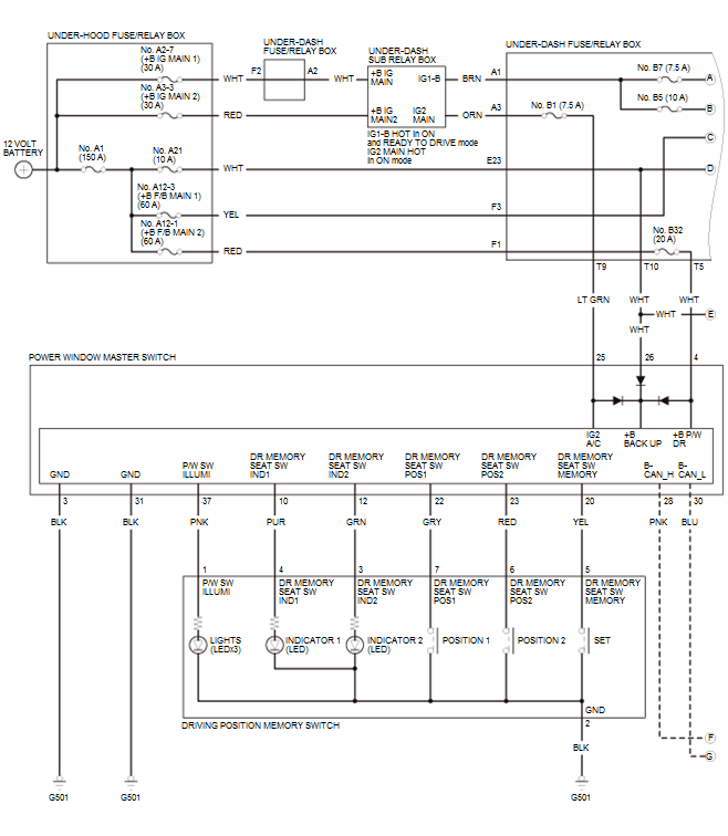
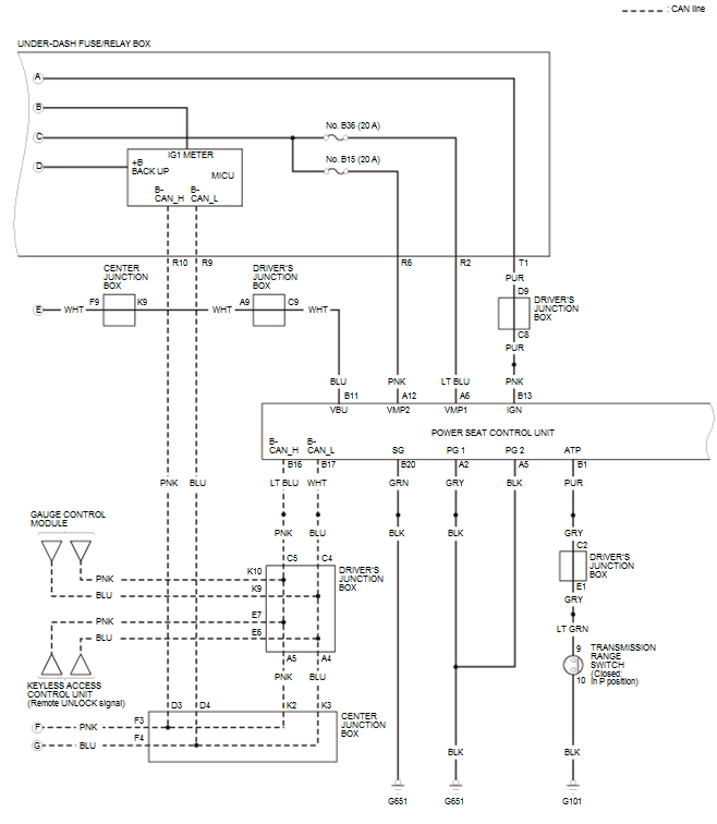
Driving Position Memory System (DPMS) Circuit Diagram

GHH260813Courtesy of HONDA, U.S.A., INC.
GHH260814Courtesy of HONDA, U.S.A., INC.
GHH260815Courtesy of HONDA, U.S.A., INC.
GHH260816Courtesy of HONDA, U.S.A., INC.