LEMON Manuals: Even more car manuals for everyone: 1960-2025
Home >> Honda >> 2014 >> Accord Plug-In >> Repair and Diagnosis (Single Page) >> Accessories & Equipment >> Drivers Assistance Systems - ADAS >> Cruise Control System / Driver Assistance System - Service, Testing & Troubleshooting (Hybrid) >> Circuit Diagram >> Lane Keeping Assist System (LKAS) Circuit Diagram (2017)
April 5, 2026: LEMON Manuals is launched! Read the announcement.

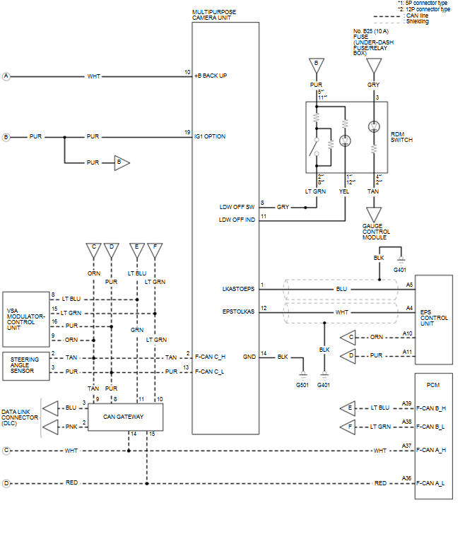
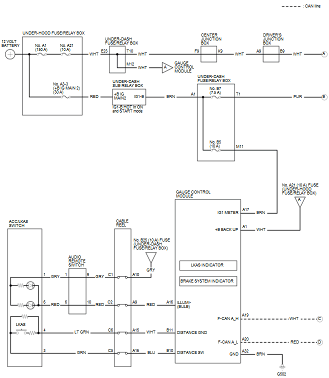
Lane Keeping Assist System (LKAS) Circuit Diagram (2017)

GHH256397Courtesy of HONDA, U.S.A., INC.
GHH256398Courtesy of HONDA, U.S.A., INC.