LEMON Manuals: Even more car manuals for everyone: 1960-2025
Home >> Honda >> 2014 >> Accord Plug-In >> Repair and Diagnosis (Single Page) >> Accessories & Equipment >> Entertainment Systems >> Audio Visual Systems - Service & Testing (Hybrid) >> Circuit Diagram >> Audio and Visual System Circuit Diagram (Without Navigation and Display Audio) (2017)
April 5, 2026: LEMON Manuals is launched! Read the announcement.

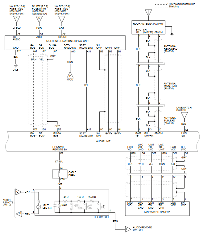
Audio and Visual System Circuit Diagram (Without Navigation and Display Audio) (2017)

GHH254891Courtesy of HONDA, U.S.A., INC.
GHH254892Courtesy of HONDA, U.S.A., INC.
GHH254893Courtesy of HONDA, U.S.A., INC.
GHH254894Courtesy of HONDA, U.S.A., INC.
GHH254895Courtesy of HONDA, U.S.A., INC.