LEMON Manuals: Even more car manuals for everyone: 1960-2025
Home >> Honda >> 2014 >> Accord Plug-In >> Repair and Diagnosis (Single Page) >> Accessories & Equipment >> Entertainment Systems >> Audio Visual Systems - Service & Testing (Hybrid) >> Circuit Diagram >> Audio and Visual System Circuit Diagram (Without Navigation, With Touch Screen) (2014)
April 5, 2026: LEMON Manuals is launched! Read the announcement.

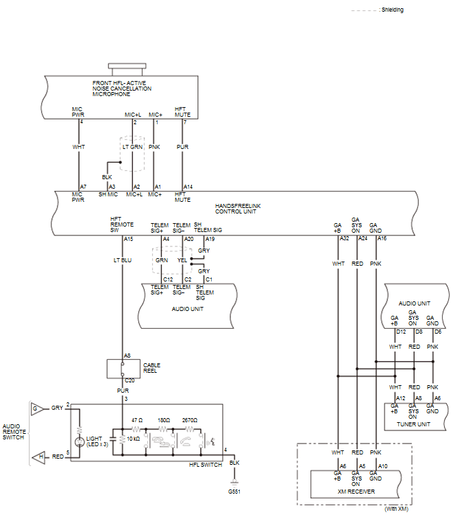
Audio and Visual System Circuit Diagram (Without Navigation, With Touch Screen) (2014)

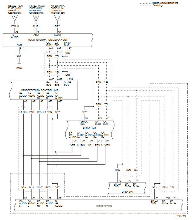
GHH254903Courtesy of HONDA, U.S.A., INC.
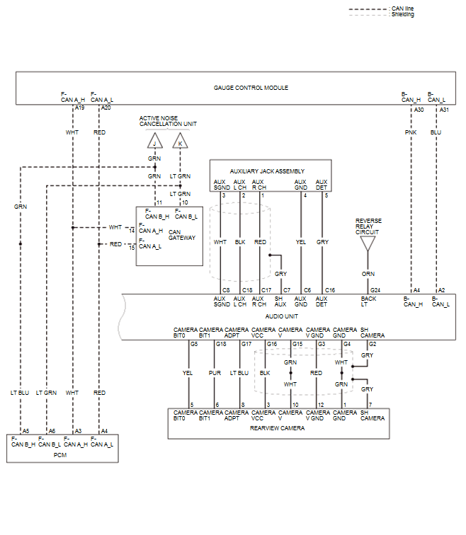
GHH254904Courtesy of HONDA, U.S.A., INC.
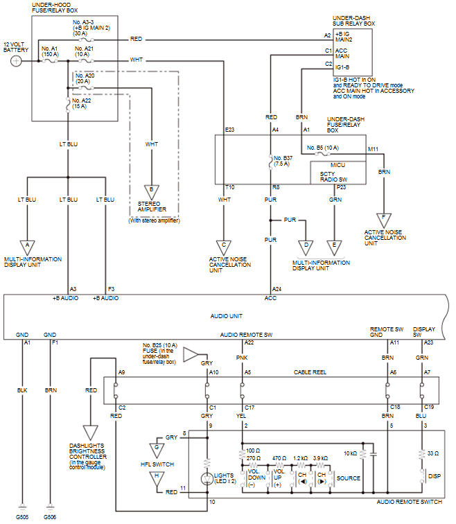
GHH254905Courtesy of HONDA, U.S.A., INC.
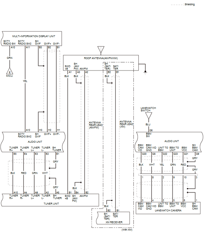
GHH254906Courtesy of HONDA, U.S.A., INC.
GHH254907Courtesy of HONDA, U.S.A., INC.
GHH254908Courtesy of HONDA, U.S.A., INC.
GHH254909Courtesy of HONDA, U.S.A., INC.