LEMON Manuals: Even more car manuals for everyone: 1960-2025
Home >> Honda >> 2014 >> Accord Plug-In >> Repair and Diagnosis (Single Page) >> Body & Frame >> Seats >> Integrated Control Systems - Service, Testing & Troubleshooting (Hybrid) >> Circuit Diagram >> Multiplex Integrated Control System Circuit Diagram (2014 2015)
April 5, 2026: LEMON Manuals is launched! Read the announcement.

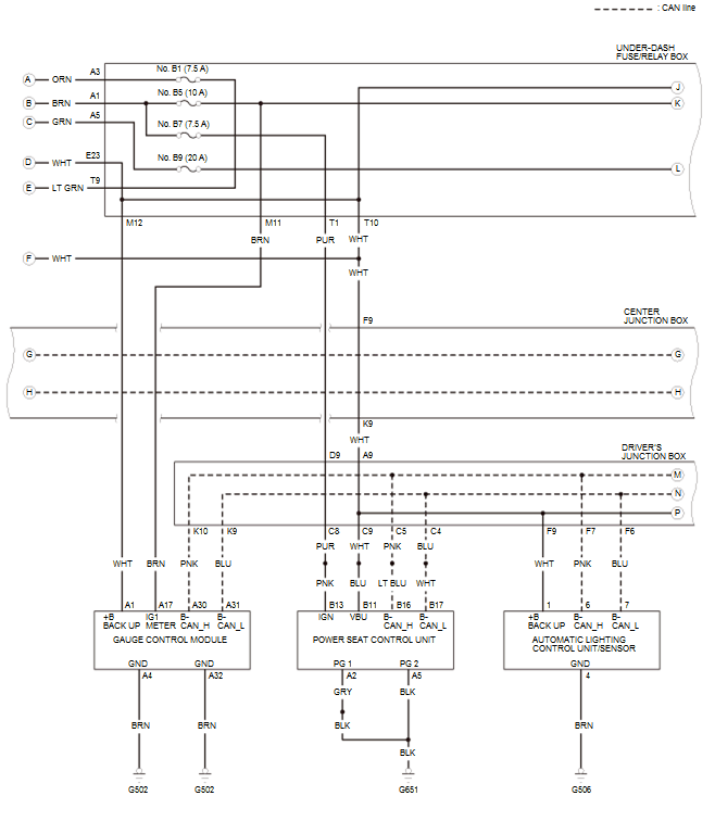
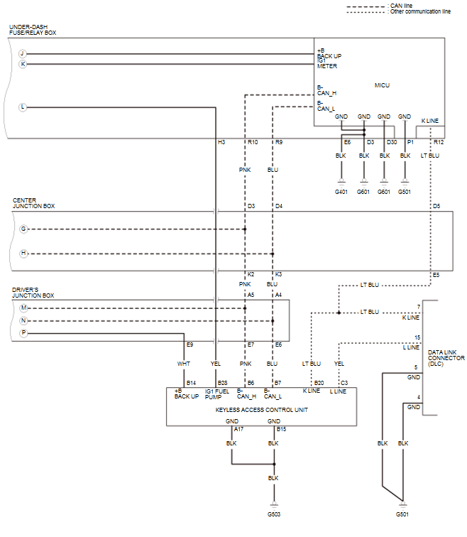
Multiplex Integrated Control System Circuit Diagram (2014 2015)

GHH260817Courtesy of HONDA, U.S.A., INC.
GHH260818Courtesy of HONDA, U.S.A., INC.
GHH260819Courtesy of HONDA, U.S.A., INC.