DTC U0129: F-CAN Malfunction (PCM-Electric Servo Brake Control Unit)
General Description
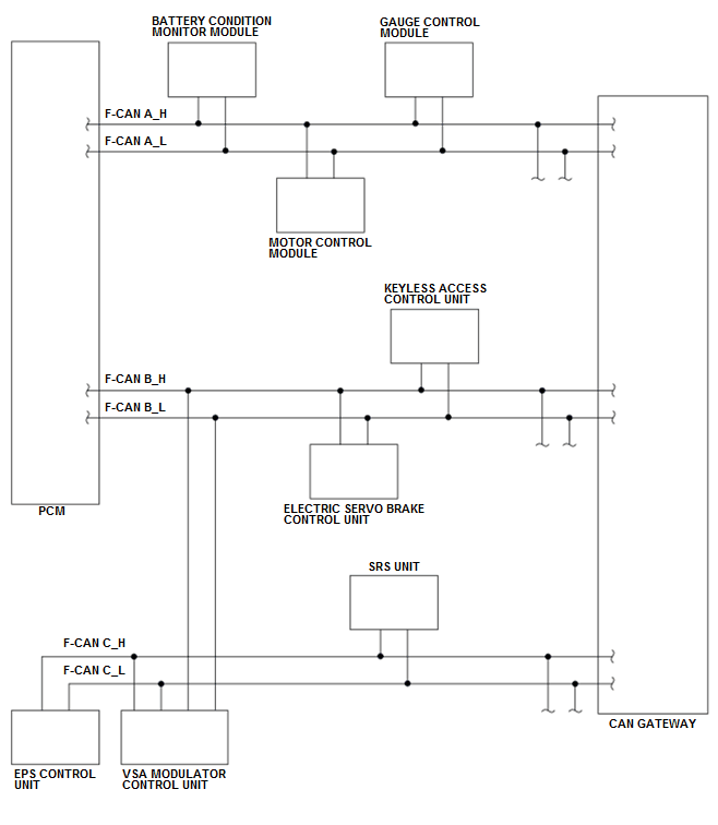
The controller area network (CAN) transmits/receives pulsing signals to/from the control modules simultaneously by using F-CAN A, B, and C signal lines. When the information is not sent from the electric servo brake control unit via the F-CAN lines and this condition continues for a specified time or when the information sent from the electric servo brake control unit is abnormal and this condition continues for a specified cycle, the powertrain control module (PCM) detects a malfunction and stores a DTC.
Monitor Execution, Sequence, Duration, DTC Type, OBD Status
| Execution | Continuous |
*1: '14-15
*2: '17
| Sequence | None |
| Duration | 1 second or more* 1 1.5 seconds or more* 2 |
| DTC Type | One drive cycle, MIL off |
| OBD Status | PASSED/FAILED/NOT COMPLETED (STILL TESTING) |
*1: '14-15
*2: '17
Enable Conditions
| Condition | Minimum | Maximum |
|---|---|---|
| Elapsed time after the vehicle condition is turned to the ON mode | 3 seconds | - |
| 12 volt battery voltage [BATTERY] | 10.0 V | - |
[ ]: HDS Parameter
Malfunction Threshold
One of these conditions is met:
- The PCM does not receive any signals via the F-CAN lines for at least 1 second* 1 (1.5 seconds)* 2.
- The information sent from the electric servo brake control unit is abnormal at least 20 times.
Possible Cause
NOTE: The causes shown may not be a complete list of all potential problems, and it is possible that there may be other causes.
- F-CAN circuit F-CAN B_H line open
- F-CAN circuit F-CAN B_L line open
- F-CAN circuit F-CAN B_H line short to ground
- F-CAN circuit F-CAN B_L line short to ground
- Electric servo brake control unit failure (include fuse blown)
- PCM internal circuit failure
Diagnosis Details
Conditions for setting the DTC
When a malfunction is detected, a Pending DTC, a Confirmed DTC, and the freeze data are stored in the PCM memory. The MIL does not come on.
Conditions for clearing the DTC
The Pending DTC, the Confirmed DTC, and the freeze data can be cleared with the scan tool Clear command or by disconnecting the 12 volt battery.