LEMON Manuals: Even more car manuals for everyone: 1960-2025
Home >> Honda >> 2014 >> Accord Plug-In >> Repair and Diagnosis (Single Page) >> Engine Performance >> Testing & Diagnosis >> Engine Control System - Advanced Diagnostics (P0010-P0756) (Hybrid) >> DTC Advanced Diagnostics >> DTC P0657: Powertrain Control Module (PCM) Power Supply Circuit Malfunction (2017)
April 5, 2026: LEMON Manuals is launched! Read the announcement.

DTC P0657: Powertrain Control Module (PCM) Power Supply Circuit Malfunction (2017)

General Description 

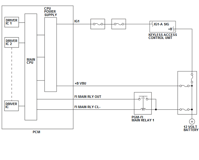
GHH257708Courtesy of HONDA, U.S.A., INC.

Main CPU and driver ICs are built into the powertrain control module (PCM). The main CPU receives drive commands and driver IC drives each corresponding devices. Power for the main CPU is provided from +B VBU line via CPU power supply, and power for the driver ICs are provided from FI MAIN RLY OUT line via PGM-FI main relay 1. If the FI MAIN RLY OUT voltage is a specified voltage for a specified time, the PCM detects a malfunction and stores a DTC.

Monitor Execution, Sequence, Duration, DTC Type 

Execution Continuous
Sequence None
Duration 5.0 seconds or more
DTC Type One drive cycle, MIL on

Enable Conditions 

Condition Minimum Maximum
12 volt battery voltage [BATTERY] 10.0 V -
Vehicle ON mode

[ ]: HDS Parameter

Malfunction Threshold 

FI MAIN RLY OUT voltage is 6.0 V or less for at least 5.0 seconds.

Possible Cause 

NOTE:  The causes shown may not be a complete list of all potential problems, and it is possible that there may be other causes.

Diagnosis Details 

Conditions for setting the DTC 

When a malfunction is detected, the MIL comes on and a Pending DTC, a Confirmed DTC, and the freeze data are stored in the PCM memory.

Conditions for clearing the DTC 

The MIL is cleared if the malfunction does not return in three consecutive trips in which the diagnostic runs. The MIL, the Pending DTC, the Confirmed DTC, and the freeze data can be cleared with the scan tool Clear command or by disconnecting the 12 volt battery.