LEMON Manuals: Even more car manuals for everyone: 1960-2025
Home >> Honda >> 2014 >> Accord Plug-In >> Repair and Diagnosis >> External Pages >> Different variant/trim >> Section 113 (Security System Keyless Entry System - Testing & Troubleshooting (2 Of 2) (Except Hybrid)) >> Circuit Diagram >> Keyless/Power Door Locks/Security System Circuit Diagram (2013)
April 5, 2026: LEMON Manuals is launched! Read the announcement.

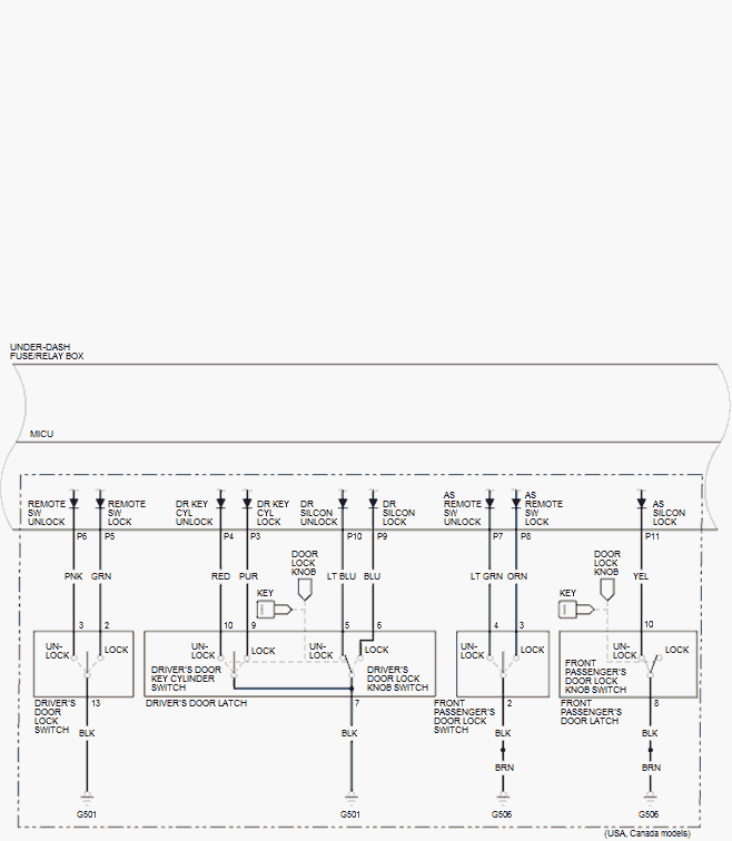
Keyless/Power Door Locks/Security System Circuit Diagram (2013)

WARNING: This page is about a different variant/trim than selected.

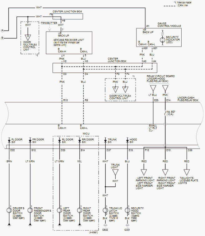
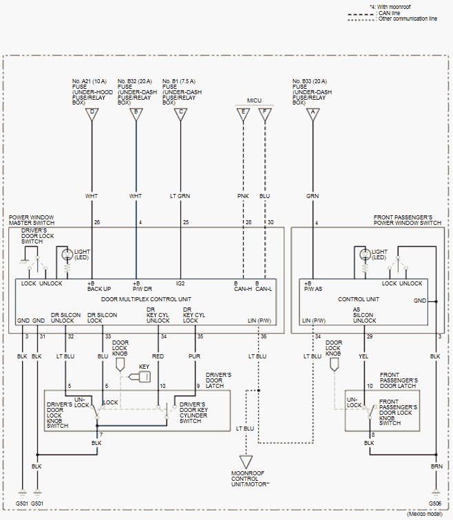
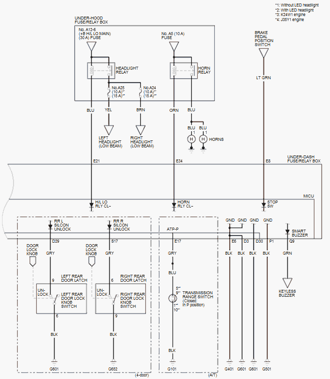
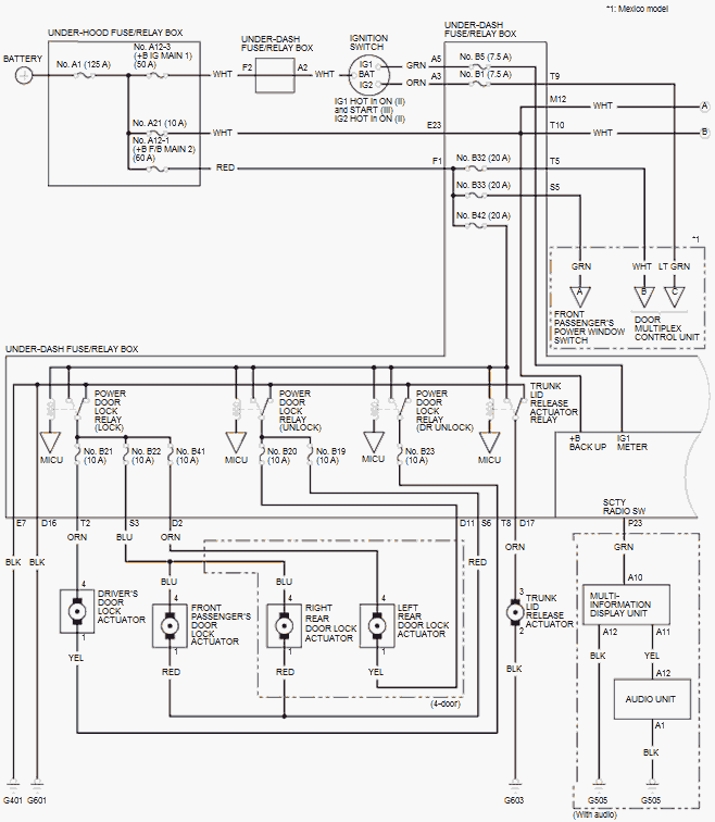
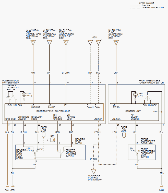
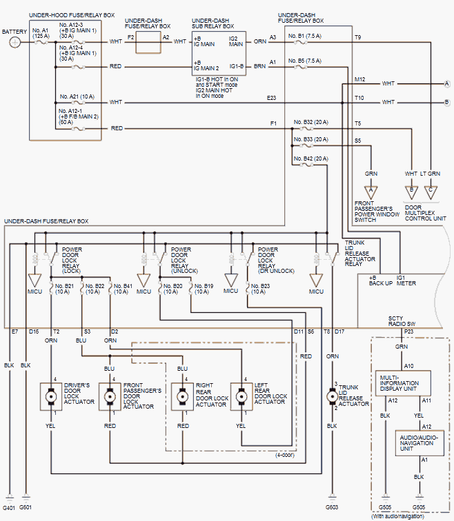
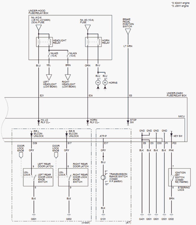
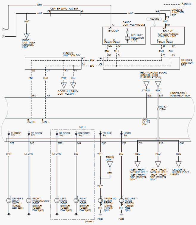
Without keyless access system 

GHH64198Courtesy of HONDA, U.S.A., INC.
GHH64199Courtesy of HONDA, U.S.A., INC.
GHH64200Courtesy of HONDA, U.S.A., INC.
GHH64201Courtesy of HONDA, U.S.A., INC.
GHH64202Courtesy of HONDA, U.S.A., INC.

With keyless access system 

GHH64203Courtesy of HONDA, U.S.A., INC.
GHH64204Courtesy of HONDA, U.S.A., INC.
GHH64205Courtesy of HONDA, U.S.A., INC.
GHH64206Courtesy of HONDA, U.S.A., INC.