LEMON Manuals: Even more car manuals for everyone: 1960-2025
Home >> Honda >> 2014 >> Accord Plug-In >> Repair and Diagnosis >> External Pages >> Different variant/trim >> Section 113 (Security System Keyless Entry System - Testing & Troubleshooting (2 Of 2) (Except Hybrid)) >> Circuit Diagram >> Keyless/Power Door Locks/Security System Circuit Diagram (2014)
April 5, 2026: LEMON Manuals is launched! Read the announcement.

Keyless/Power Door Locks/Security System Circuit Diagram (2014)

WARNING: This page is about a different variant/trim than selected.

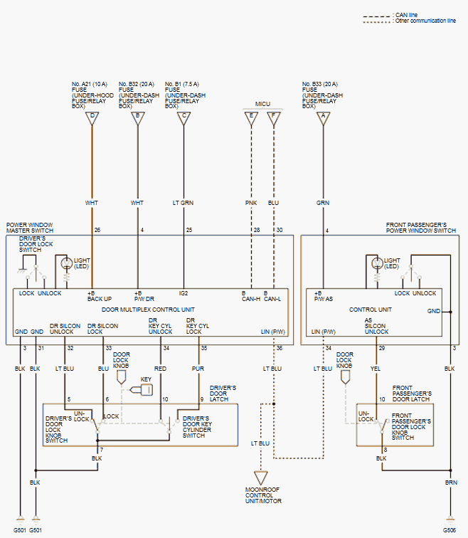
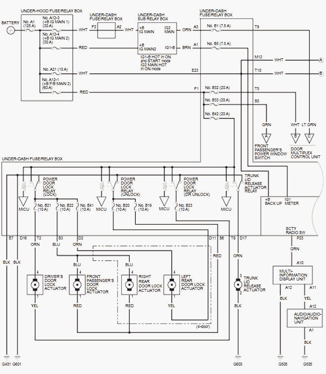
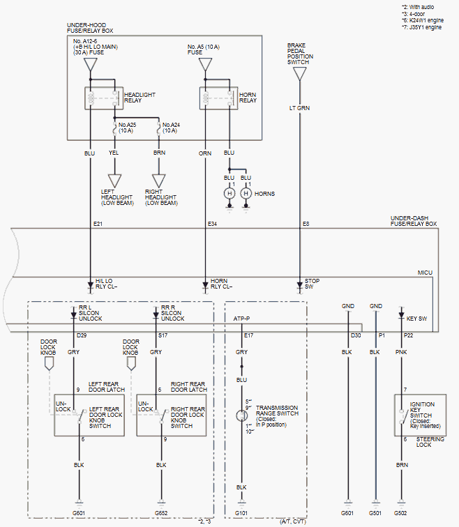
Without keyless access system 

GHH64207Courtesy of HONDA, U.S.A., INC.
GHH64208Courtesy of HONDA, U.S.A., INC.
GHH64209Courtesy of HONDA, U.S.A., INC.
GHH64210Courtesy of HONDA, U.S.A., INC.
GHH64211Courtesy of HONDA, U.S.A., INC.

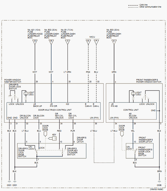
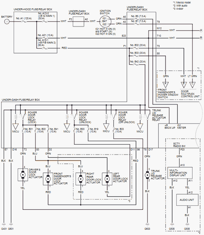
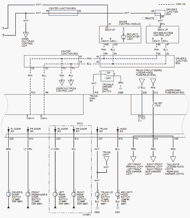
With keyless access system 

GHH64212Courtesy of HONDA, U.S.A., INC.
GHH64213Courtesy of HONDA, U.S.A., INC.
GHH64214Courtesy of HONDA, U.S.A., INC.
GHH64215Courtesy of HONDA, U.S.A., INC.