LEMON Manuals: Even more car manuals for everyone: 1960-2025
Home >> Honda >> 2014 >> Accord Plug-In >> Repair and Diagnosis >> External Pages >> Different variant/trim >> Section 113 (Security System Keyless Entry System - Testing & Troubleshooting (2 Of 2) (Except Hybrid)) >> Circuit Diagram >> Keyless/Power Door Locks/Security System Circuit Diagram (2015)
April 5, 2026: LEMON Manuals is launched! Read the announcement.

Keyless/Power Door Locks/Security System Circuit Diagram (2015)

WARNING: This page is about a different variant/trim than selected.

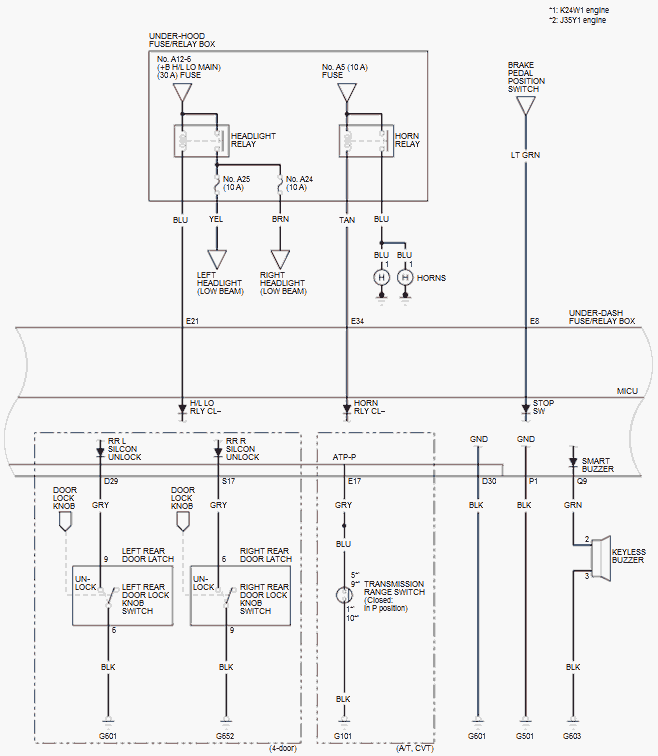
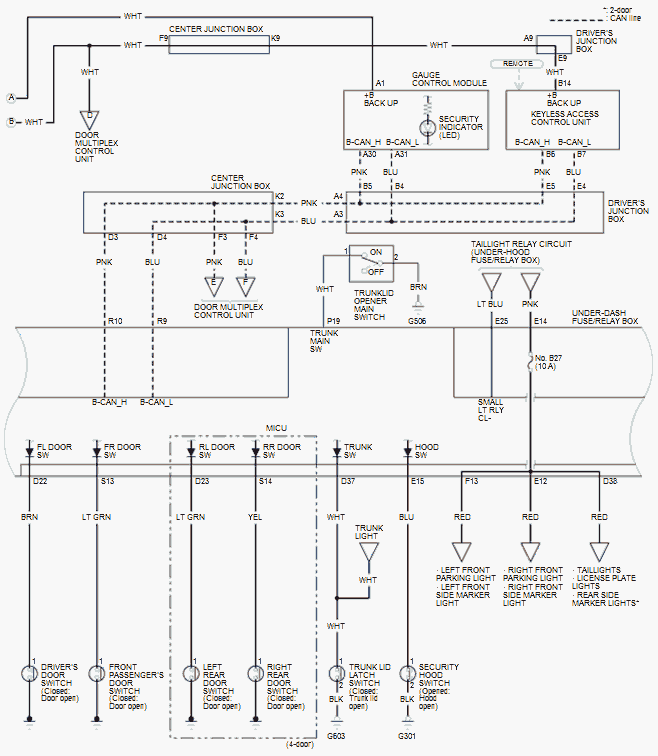
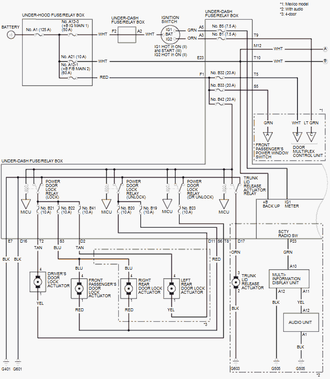
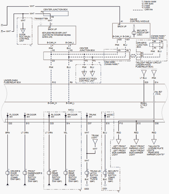
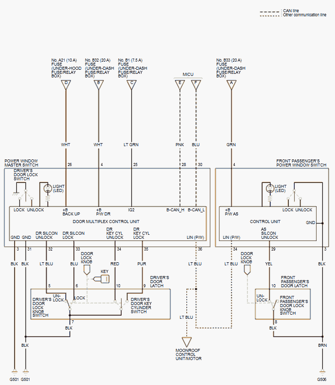
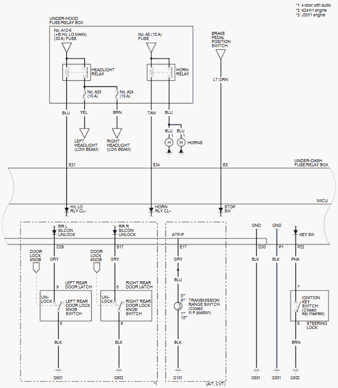
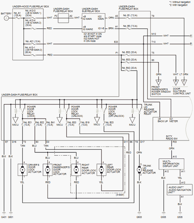
Without keyless access system 

GHH64216Courtesy of HONDA, U.S.A., INC.
GHH64217Courtesy of HONDA, U.S.A., INC.
GHH64218Courtesy of HONDA, U.S.A., INC.
GHH64219Courtesy of HONDA, U.S.A., INC.
GHH64220Courtesy of HONDA, U.S.A., INC.
GHH64221Courtesy of HONDA, U.S.A., INC.

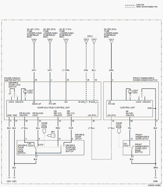
With keyless access system 

GHH64222Courtesy of HONDA, U.S.A., INC.
GHH64223Courtesy of HONDA, U.S.A., INC.
GHH64224Courtesy of HONDA, U.S.A., INC.
GHH64225Courtesy of HONDA, U.S.A., INC.
GHH64226Courtesy of HONDA, U.S.A., INC.