LEMON Manuals: Even more car manuals for everyone: 1960-2025
Home >> Honda >> 2014 >> Civic HF >> Repair and Diagnosis (Single Page) >> Accessories & Equipment >> Wiper/Washer Systems >> Wiper System / Washer System - General Information & Testing (Except Hybrid) >> Circuit Diagram >> Wiper System / Washer System Circuit Diagram (Without Keyless Access System)
April 5, 2026: LEMON Manuals is launched! Read the announcement.

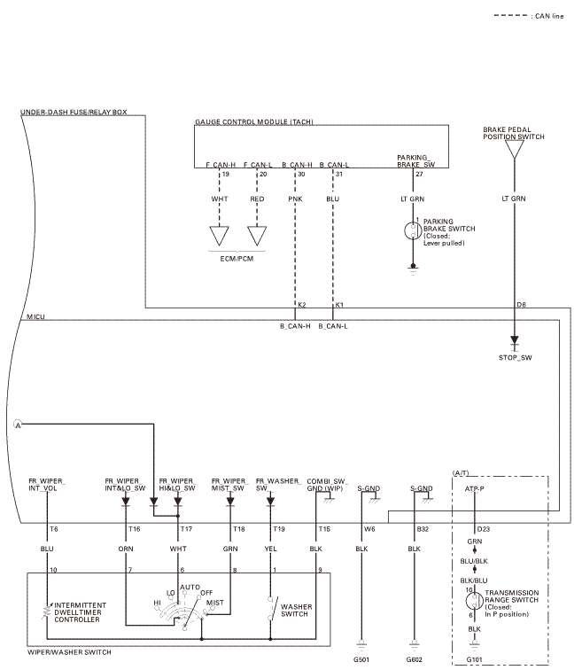
Wiper System / Washer System Circuit Diagram (Without Keyless Access System)

GHH16494Courtesy of HONDA, U.S.A., INC.
GHH16495Courtesy of HONDA, U.S.A., INC.