LEMON Manuals: Even more car manuals for everyone: 1960-2025
Home >> Honda >> 2014 >> Crosstour EX, 2.4L Eng >> Repair and Diagnosis >> Body & Frame >> Seats >> Driver Position Memory System (DPMS) (4-CYL) >> Circuit Diagram - Power Mirror
April 5, 2026: LEMON Manuals is launched! Read the announcement.

Circuit Diagram - Power Mirror

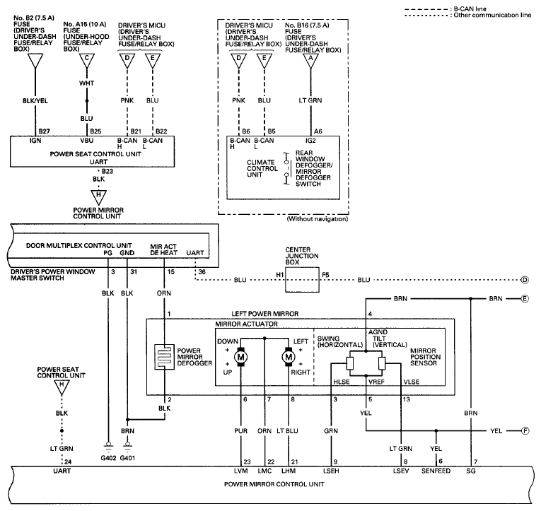
Fig 1: DPMS (Power Mirror) - Circuit Diagram (1 Of 4)
G08086341Courtesy of AMERICAN HONDA MOTOR CO., INC.
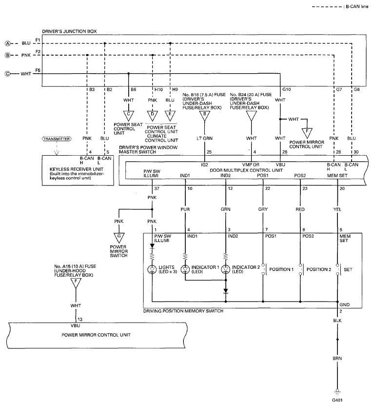
Fig 2: DPMS (Power Mirror) - Circuit Diagram (2 Of 4)
G08086342Courtesy of AMERICAN HONDA MOTOR CO., INC.
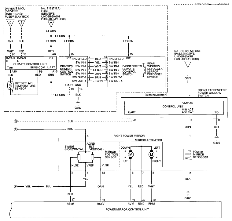
Fig 3: DPMS (Power Mirror) - Circuit Diagram (3 Of 4)
G08086343Courtesy of AMERICAN HONDA MOTOR CO., INC.
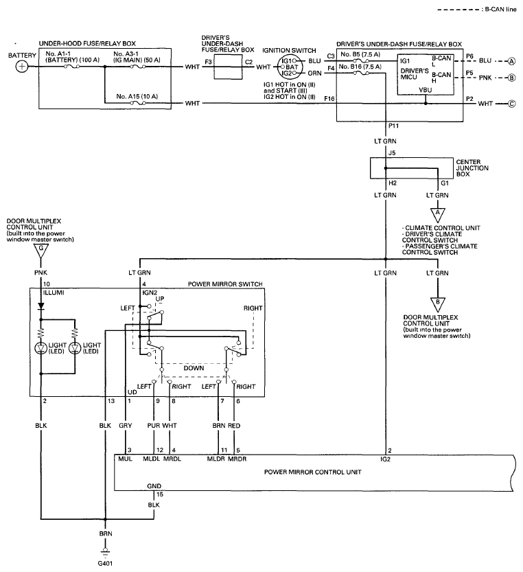
Fig 4: DPMS (Power Mirror) - Circuit Diagram (4 Of 4)
G08086344Courtesy of AMERICAN HONDA MOTOR CO., INC.