LEMON Manuals: Even more car manuals for everyone: 1960-2025
Home >> Honda >> 2014 >> Fit >> Repair and Diagnosis >> External Pages >> Different car >> Section 303 (Security System & Keyless Entry System - Testing & Troubleshooting) >> Circuit Diagram >> Immobilizer System Circuit Diagram
April 5, 2026: LEMON Manuals is launched! Read the announcement.

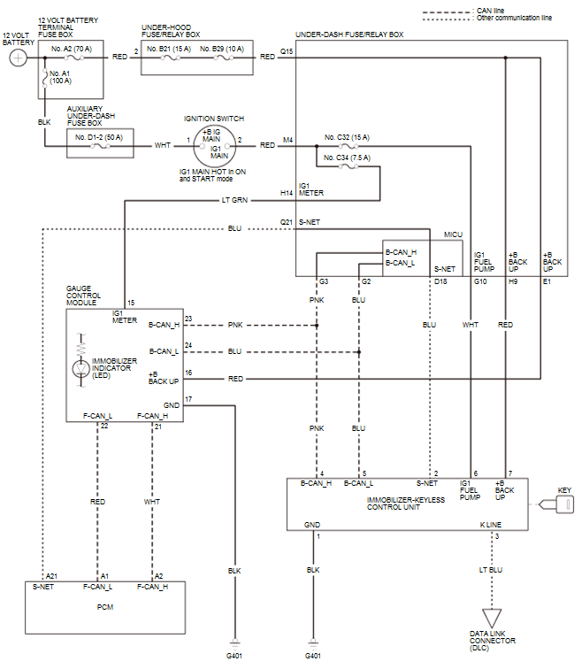
Immobilizer System Circuit Diagram

WARNING: This page does not describe the selected car, but rather 6 other vehicles, including the 2020 Honda Fit, 2019 Honda Fit, 2018 Honda Fit, 2017 Honda Fit, and 2016 Honda Fit. However, it is still accessible from the selected car via links, so may be relevant.
GHH83032Courtesy of HONDA, U.S.A., INC.