LEMON Manuals: Even more car manuals for everyone: 1960-2025
Home >> Honda >> 2014 >> Fit >> Repair and Diagnosis >> External Pages >> Different car >> Section 69 (Entry Lights Control System) >> Circuit Diagram
April 5, 2026: LEMON Manuals is launched! Read the announcement.

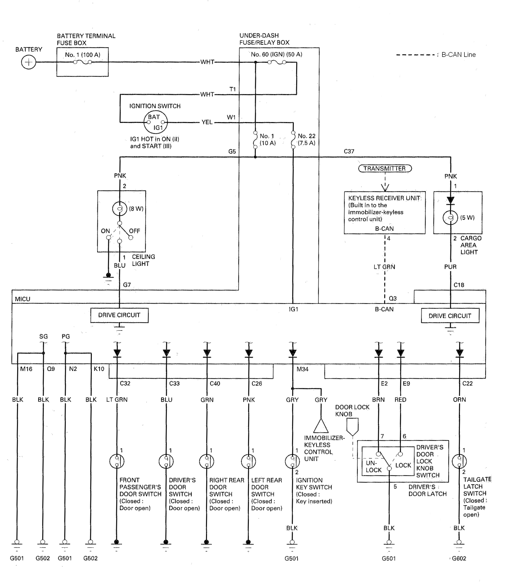
Circuit Diagram

WARNING: This page is about a different car, the 2013 Honda Fit, 2012 Honda Fit, 2011 Honda Fit, 2010 Honda Fit, and 2009 Honda Fit. However, it is still accessible from the selected car via links, so may be relevant.
Fig 1: Identifying Entry Lights Control System - Circuit Diagram
G00509556Courtesy of AMERICAN HONDA MOTOR CO., INC.