LEMON Manuals: Even more car manuals for everyone: 1960-2025
Home >> Honda >> 2014 >> Insight Base >> Repair and Diagnosis >> Engine Performance >> System >> Fuel And Emissions Systems >> System Description >> PCM Electrical Connections
April 5, 2026: LEMON Manuals is launched! Read the announcement.

PCM Electrical Connections

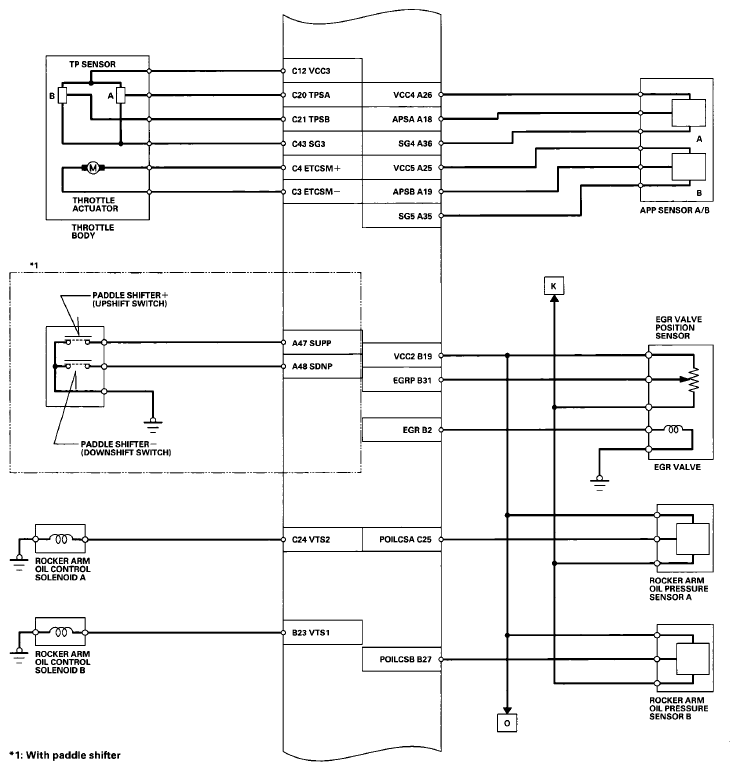
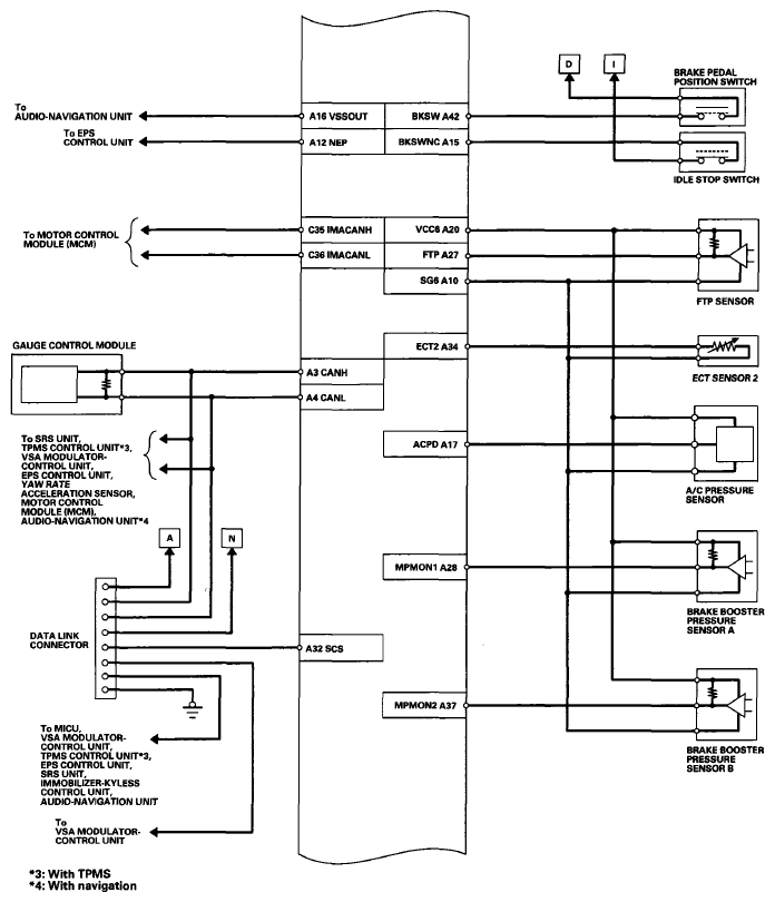
Fig 1: PCM Electrical Connection Diagram (1 Of 6)
G08092156Courtesy of AMERICAN HONDA MOTOR CO., INC.
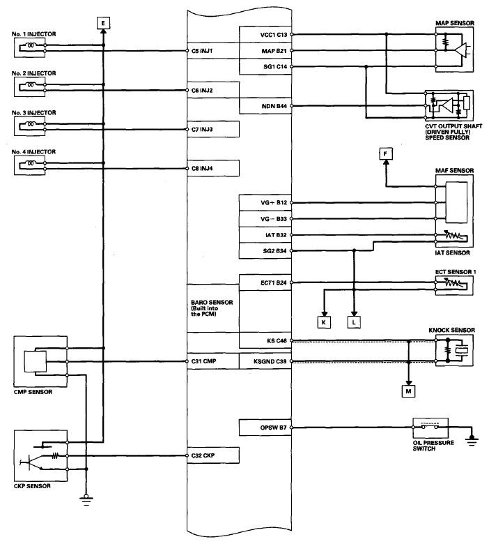
Fig 2: PCM Electrical Connection Diagram (2 Of 6)
G08092157Courtesy of AMERICAN HONDA MOTOR CO., INC.
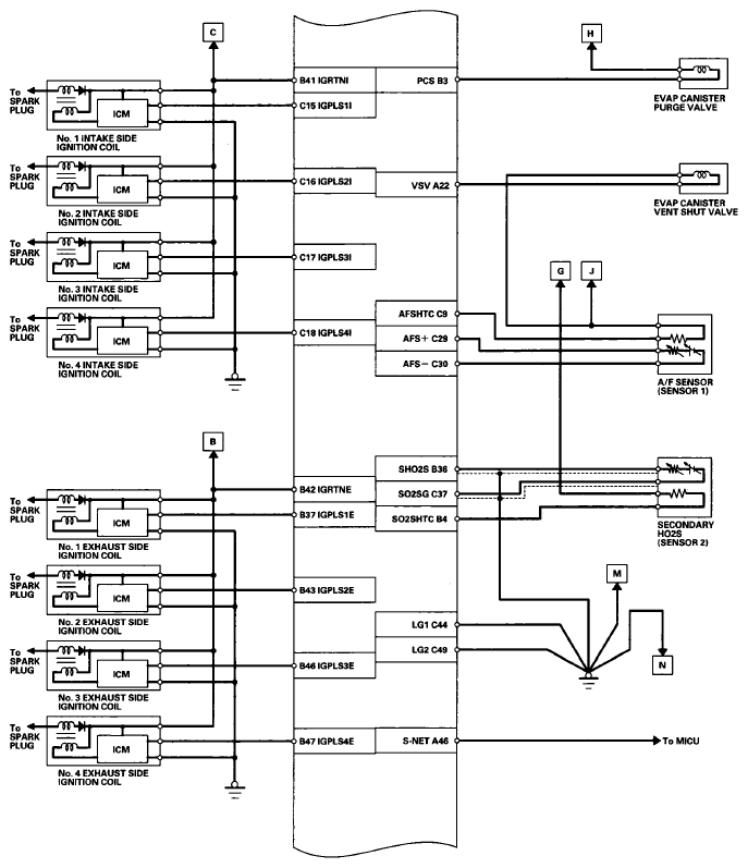
Fig 3: PCM Electrical Connection Diagram (3 Of 6)
G08092158Courtesy of AMERICAN HONDA MOTOR CO., INC.
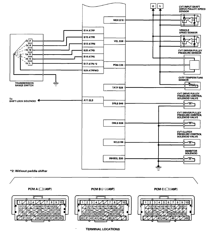
Fig 4: PCM Electrical Connection Diagram (4 Of 6)
G08092159Courtesy of AMERICAN HONDA MOTOR CO., INC.
Fig 5: PCM Electrical Connection Diagram (5 Of 6)
G08092160Courtesy of AMERICAN HONDA MOTOR CO., INC.
Fig 6: PCM Electrical Connection Diagram (6 Of 6)
G08092161Courtesy of AMERICAN HONDA MOTOR CO., INC.