LEMON Manuals: Even more car manuals for everyone: 1960-2025
Home >> Honda >> 2014 >> Insight Base >> Repair and Diagnosis >> External Pages >> Different car >> Section 59 (Navigation System) >> Circuit Diagram
April 5, 2026: LEMON Manuals is launched! Read the announcement.

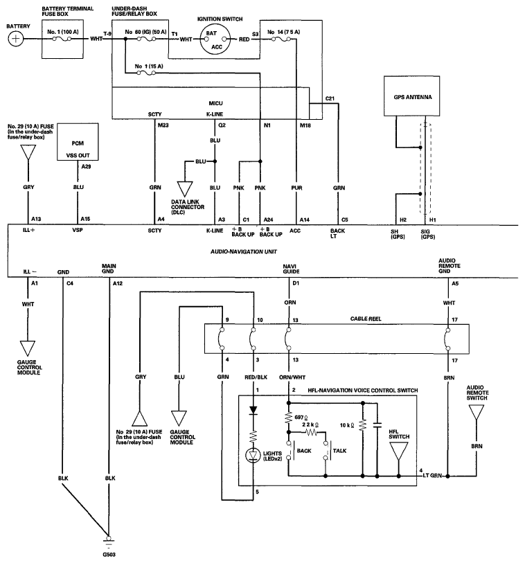
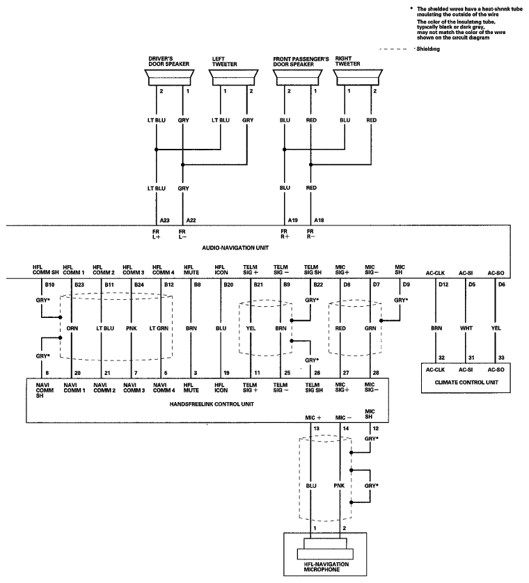
Circuit Diagram

WARNING: This page is about a different car, the 2011 Honda Insight and 2010 Honda Insight. However, it is still accessible from the selected car via links, so may be relevant.
Fig 1: Navigation System - Circuit Diagram (1 Of 2)
G06431931Courtesy of AMERICAN HONDA MOTOR CO., INC.
Fig 2: Navigation System - Circuit Diagram (2 Of 2)
G06431932Courtesy of AMERICAN HONDA MOTOR CO., INC.