LEMON Manuals: Even more car manuals for everyone: 1960-2025
Home >> Honda >> 2014 >> Odyssey Touring >> Repair and Diagnosis >> Engine Performance >> Engine Control Systems >> Active Control Engine Mount (ACM) System >> Circuit Diagram
April 5, 2026: LEMON Manuals is launched! Read the announcement.

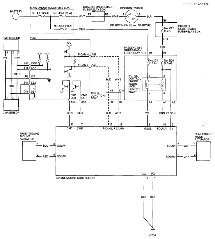
Circuit Diagram

Fig 1: Active Control Engine Mount (ACM) System Circuit Diagram
G06966308Courtesy of AMERICAN HONDA MOTOR CO., INC.