LEMON Manuals: Even more car manuals for everyone: 1960-2025
Home >> Honda >> 2014 >> Pilot EX, FWD >> Repair and Diagnosis >> Brakes >> Traction Control >> VSA System Components >> Circuit Diagram
April 5, 2026: LEMON Manuals is launched! Read the announcement.

Circuit Diagram

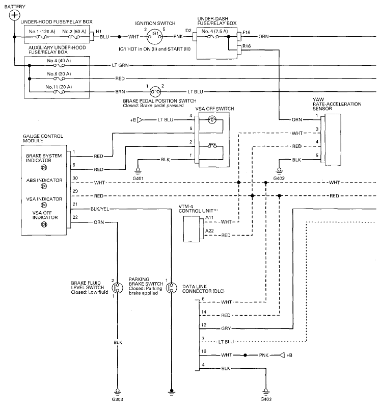
Fig 1: VSA System - Circuit Diagram (1 Of 2)
G08088411Courtesy of AMERICAN HONDA MOTOR CO., INC.
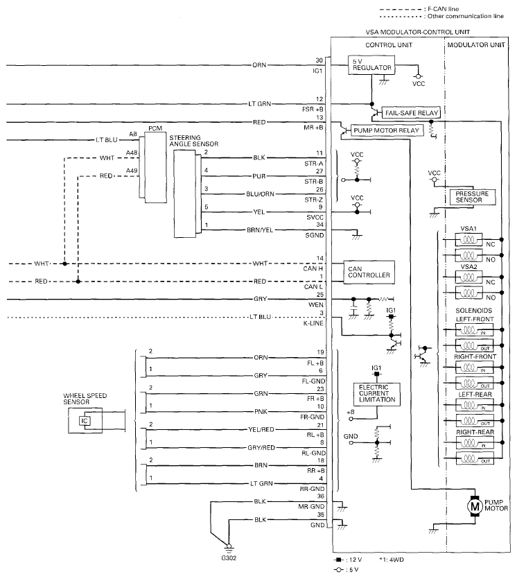
Fig 2: VSA System - Circuit Diagram (2 Of 2)
G08088412Courtesy of AMERICAN HONDA MOTOR CO., INC.
Fig 3: Identifying VSA Connector Terminal Identification
G08088413Courtesy of AMERICAN HONDA MOTOR CO., INC.