LEMON Manuals: Even more car manuals for everyone: 1960-2025
Home >> Honda >> 2014 >> Pilot EX, FWD >> Repair and Diagnosis >> Electrical >> Charging Systems >> Charging System >> Circuit Diagram
April 5, 2026: LEMON Manuals is launched! Read the announcement.

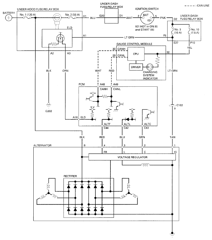
Circuit Diagram

Fig 1: Charging System Circuit Diagram
G08078442Courtesy of AMERICAN HONDA MOTOR CO., INC.