LEMON Manuals: Even more car manuals for everyone: 1960-2025
Home >> Honda >> 2014 >> Pilot EX, FWD >> Repair and Diagnosis >> Engine Mechanical >> Mechanical >> Engine Assembly >> Engine Installation
April 5, 2026: LEMON Manuals is launched! Read the announcement.

Engine Installation

Special Tools Required 

*Available through Honda Tool and Equipment Program 888-424-6857

  1. Install the engine mount brackets and the accessory brackets, then tighten their bolts to the specified torque.
    Fig 1: Engine Mount Brackets And Accessory Brackets With Torque Specifications
    G08078564Courtesy of AMERICAN HONDA MOTOR CO., INC.
  2. Position the engine/transmission under the vehicle. Be sure that they are properly aligned. Carefully lower the vehicle until the engine/transmission are properly positioned in the engine compartment. Make sure the vehicle is not resting on any part of the engine/transmission. Support the engine/transmission with a chain hoist (A) and carefully raise the engine/transmission into place.
    NOTE: Reinstall the mounting bolts/support nuts in the sequence given in the following steps. Failure to follow this sequence may cause excessive noise and vibration, and reduce engine mount life.
    Fig 2: Identifying Engine/Transmission Support Chain Hoist
    G08078565Courtesy of AMERICAN HONDA MOTOR CO., INC.
  3. Remove the cowl top side lid (A) from both sides.
    Fig 3: Removing Cowl Top Side Lid From Both Sides
    G08078566Courtesy of AMERICAN HONDA MOTOR CO., INC.
  4. With the engine support hanger (AAR-T1256) on its side, insert the hanger beam (B) through the opening, then rotate it over the damper (C).
  5. Install the engine hanger balance bar (VSB02C000019). Attach the front arm (A) to the front cylinder head with several spacers (B) and a 10 x 1.25 mm bolt (C). Remove the rear arm from the engine hanger balance bar, then install the 2008 V6 attachment arm (SIL02C000033). Attach the 2008 V6 attachment arm to the rear cylinder head with an 8 x 1.25 mm bolt (D).
    Fig 4: Front Arm, Spacers And Rear Cylinder Head Bolt
    G08078567Courtesy of AMERICAN HONDA MOTOR CO., INC.
  6. Install the engine support hanger (AAR-T1256) onto the vehicle as shown, and attach the hook to the slotted hole in the engine hanger balance bar. Tighten the wing nut (E) by hand, and lift and support the engine/transmission.
    NOTE:
    • Be careful when working around the windshield.
    • Be careful not to damage the hood opener cable when installing the engine support hanger at the front bulkhead.
    • AAR-T1256 two sets required for stacking two cross section bars.
  7. Install the new mounting bolts into the upper half of the side engine mount bracket. Tighten the bolts to the specified torque.
    Fig 5: Side Engine Mount Bracket Mounting Bolts With Torque Specifications
    G08078568Courtesy of AMERICAN HONDA MOTOR CO., INC.
  8. Remove the chain hoist, then raise the vehicle on the lift.
  9. Using the subframe adapter (VSB02C000016) and a transmission jack, raise the front subframe up to the body.
    Fig 6: Identifying Front Subframe Mounting Bolts And Stiffeners
    G08078569Courtesy of AMERICAN HONDA MOTOR CO., INC.
  10. Loosely install the new front subframe mounting bolts (four) (A), the 12 x 1.25 mm bolts (four) (B), new bolts (two) (C), and the stiffeners (D).
  11. Align the front subframe with the subframe alignment pin (see FRONT SUBFRAME ALIGNMENT ).
  12. Remove the transmission jack and the subframe adapter.
  13. Tighten the rear engine mount base mounting bolts (A), then connect the rear engine mount actuator connector (B).
    Fig 7: Rear Engine Mount Base Mounting Bolts And Rear Engine Mount Actuator Connector With Torque Specifications
    G08078570Courtesy of AMERICAN HONDA MOTOR CO., INC.
  14. Tighten the lower transmission mount mounting bolts (A) and the ground cable (B).
    Fig 8: Lower Transmission Mount Mounting Bolts And Ground Cable With Torque Specifications
    G08078571Courtesy of AMERICAN HONDA MOTOR CO., INC.
  15. Install the A/C compressor (A), then connect the A/C compressor clutch connector (B).
    Fig 9: A/C Compressor And A/C Compressor Clutch Connector With Torque Specifications
    G08078572Courtesy of AMERICAN HONDA MOTOR CO., INC.
  16. Lower the vehicle on the lift.
  17. Remove the engine support hanger, the engine hanger balance bar, and the 2008 V6 attachment arm, then install the cowl top side lids on both sides.
  18. Tighten the new front engine mount bolt (A), then install the front engine mount stop (B) using new nuts, and connect the front engine mount actuator connector (C), and install the harness clamps (D).
    Fig 10: Front Engine Mount Bolt, Front Engine Mount Stop And Harness Clamps With Torque Specifications
    G08078573Courtesy of AMERICAN HONDA MOTOR CO., INC.
  19. Loosen the mounting bolts (A) for the upper half of the side engine mount bracket, then retighten them to the specified torque.
    Fig 11: Engine Mount Bracket Mounting Bolts With Torque Specifications
    G08078574Courtesy of AMERICAN HONDA MOTOR CO., INC.
  20. Install the radiator (see RADIATOR AND FAN REPLACEMENT ).
  21. Raise the vehicle on the lift.
  22. Connect the power steering pressure switch connector.
    Fig 12: Identifying Power Steering Pressure Switch Connector
    G08078575Courtesy of AMERICAN HONDA MOTOR CO., INC.
  23. Connect the power steering hose (A) and the ATF cooler hoses (B).
    NOTE: Check the installation location of the ATF cooler hose clamps (see ATF COOLER HOSE REPLACEMENT ).
    Fig 13: Identifying Power Steering Hose And ATF Cooler Hoses
    G08078576Courtesy of AMERICAN HONDA MOTOR CO., INC.
  24. 4WD model: Install the transfer assembly (see TRANSFER ASSEMBLY INSTALLATION ).
  25. Install a new set ring on the end of each driveshaft, then install the driveshafts (see FRONT DRIVESHAFT INSTALLATION ).
  26. Connect the suspension lower arms to the knuckles (see step 3 under REMOVAL/INSTALLATION ).
  27. Connect the stabilizer links to the dampers (see STABILIZER LINK REMOVAL/INSTALLATION ).
  28. Connect the tie-rod end ball joints to the knuckles (see step 3 under KNUCKLE REPLACEMENT ).
  29. Install exhaust pipe A using new gaskets (B) and new self-locking nuts (C).
    Fig 14: Exhaust Pipe, Gaskets And Self-Locking Nuts With Torque Specifications
    G08078577Courtesy of AMERICAN HONDA MOTOR CO., INC.
  30. Install the front subframe stiffener using new bolts.
    Fig 15: Front Subframe Stiffener Bolts With Torque Specifications
    G08078578Courtesy of AMERICAN HONDA MOTOR CO., INC.
  31. Install the splash shield (see SPLASH SHIELD REPLACEMENT ).
  32. Install the front wheels.
  33. Lower the vehicle on the lift.
  34. Install the harness clamps, and connect the front secondary HO2S connector (see SECONDARY HO2S REPLACEMENT ).
  35. Install the connector bracket (A) to the front cylinder head.
    Fig 16: Connector Bracket With Torque Specifications
    G08078579Courtesy of AMERICAN HONDA MOTOR CO., INC.
  36. Install the harness clamp bracket (A) to the rear cylinder head.
    Fig 17: Harness Clamp Bracket With Torque Specifications
    G08078580Courtesy of AMERICAN HONDA MOTOR CO., INC.
  37. Connect the heater hoses (A).
    Fig 18: Identifying Heater Hoses
    G08078581Courtesy of AMERICAN HONDA MOTOR CO., INC.
  38. Connect the power steering pump outlet hose (A) with a new O-ring (B), and the power steering pump inlet hose (C).
    Fig 19: Power Steering Pump Outlet Hose, O-Ring, Power Steering Pump Inlet Hose With Torque Specifications
    G08078582Courtesy of AMERICAN HONDA MOTOR CO., INC.
  39. Install the power steering hose bracket (D) to the rear cylinder head cover.
  40. Install the drive belt (see DRIVE BELT REPLACEMENT ).
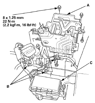
  41. Connect the engine wire harness connector (A) and the PCM connectors (B), then install the harness clamps (C).
    Fig 20: Identifying Engine Wire Harness Connector, PCM Connectors And Harness Clamps
    G08078583Courtesy of AMERICAN HONDA MOTOR CO., INC.
  42. Install the PCM cover (A).
    Fig 21: Identifying PCM Cover
    G08078584Courtesy of AMERICAN HONDA MOTOR CO., INC.
  43. Connect the positive alternator cable (A) to the under-hood fuse/relay box, then install the harness clamps (B).
    Fig 22: Positive Alternator Cable And Harness Clamps With Torque Specifications
    G08078585Courtesy of AMERICAN HONDA MOTOR CO., INC.
  44. Remove the steering wheel holder tool, then connect the steering joint onto the steering gearbox pinion shaft (see step 41 under STEERING GEARBOX INSTALLATION ).
  45. Install the steering joint cover (see step 6 under INSTALLATION ).
  46. Connect the brake booster vacuum hose (A) and the EVAP canister hose (B).
    Fig 23: Identifying Brake Booster Vacuum HOS And EVAP Canister Hose
    G08078586Courtesy of AMERICAN HONDA MOTOR CO., INC.
  47. Connect the fuel feed hose (A), then install the quick-connect fitting cover (B) (see FUEL LINE/QUICK-CONNECT FITTING INSTALLATION )
    Fig 24: Identifying Fuel Feed Hose And Quick-Connect Fitting Cover
    G08078587Courtesy of AMERICAN HONDA MOTOR CO., INC.
  48. Install the shift cable (see SHIFT CABLE REPLACEMENT ).
  49. Connect the starter subharness connector.
    Fig 25: Identifying Starter Subharness Connector
    G08078588Courtesy of AMERICAN HONDA MOTOR CO., INC.
  50. Connect the positive starter cable (A), then install the harness clamps (B).
    Fig 26: Positive Starter Cable And Harness Clamps With Torque Specifications
    G08078589Courtesy of AMERICAN HONDA MOTOR CO., INC.
  51. Install the battery base (A), then install the harness clamps (B) and the auxiliary under-hood fuse/relay box (C).
    Fig 27: Battery Base, Harness Clamps And Auxiliary Under-Hood Fuse/Relay Box With Torque Specifications
    G08078590Courtesy of AMERICAN HONDA MOTOR CO., INC.
  52. Install the air cleaner (see THROTTLE BODY CLEANING ).
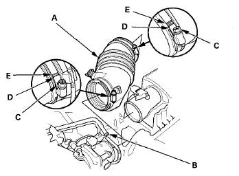
  53. Install the intake air duct (A), then connect the breather pipe (B).
    NOTE: When tightening the screw of the hose band (C), align the edge of the hose band (D) with the mark (E) painted on the hose band. If you tighten the screw over the mark, replace the hose band.
    Fig 28: Intake Air Duct, Breather Pipe, Hose Band And Mark
    G08078591Courtesy of AMERICAN HONDA MOTOR CO., INC.
  54. Install the engine cover (see INSTALLATION ).
  55. Do the battery installation procedure (see INSTALLATION ).
  56. Install the bulkhead cover (see FRONT BULKHEAD COVER REPLACEMENT ).
  57. Inspect for fuel leaks. Turn the ignition switch to ON (II) (do not operate the starter) so the fuel pump runs for about 2 seconds and pressurizes the fuel line. Repeat this operation three times, then check for fuel leaks at any point in the fuel line.
  58. Refill the engine with engine oil (see ENGINE OIL LEVEL CHECK ).
  59. Refill the transmission with ATF (see ATF REPLACEMENT ).
  60. Move the shift lever to each gear, and verify that the A/T gear position indicator follows the transmission range switch.
  61. Refill the reservoir with power steering fluid (see FLUID CHECK/REPLACEMENT ).
  62. Refill the radiator with engine coolant (see step 8 under COOLANT REPLACEMENT ).
  63. Do the power steering system bleeding procedure (see step 7 under FLUID CHECK/REPLACEMENT ).
  64. Do the cooling system bleeding procedure (see COOLANT CHECK ).
  65. Check for fluid leaks.
  66. Do the PCM reset procedure (see IF THE MIL DID NOT STAY ON ).
  67. Do the PCM idle learn procedure (see PCM IDLE LEARN PROCEDURE ).
  68. Do the CKP pattern clear/CKP pattern learn procedure (see CKP PATTERN CLEAR/CKP PATTERN LEARN ).
  69. Inspect the idle speed (see IDLE SPEED INSPECTION ).
  70. Inspect the ignition timing (see IGNITION TIMING INSPECTION ).
  71. Check the wheel alignment (see WHEEL ALIGNMENT ).