LEMON Manuals: Even more car manuals for everyone: 1960-2025
Home >> Honda >> 2014 >> Pilot EX, FWD >> Repair and Diagnosis >> Engine Performance >> System >> Fuel And Emissions Systems >> System Description >> PCM Electrical Connections
April 5, 2026: LEMON Manuals is launched! Read the announcement.

PCM Electrical Connections

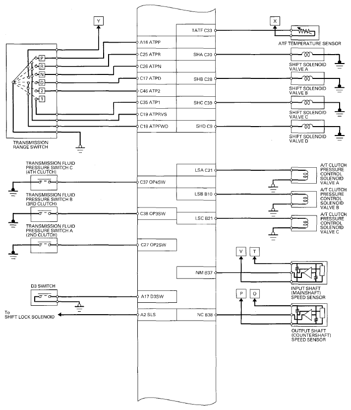
Fig 1: PCM Electrical Connections Circuit Diagram (1 Of 7)
G08078954Courtesy of AMERICAN HONDA MOTOR CO., INC.
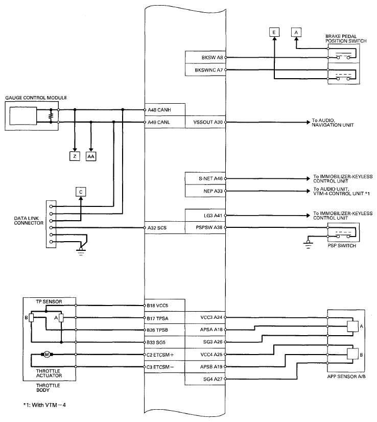
Fig 2: PCM Electrical Connections Circuit Diagram (2 Of 7)
G08078955Courtesy of AMERICAN HONDA MOTOR CO., INC.
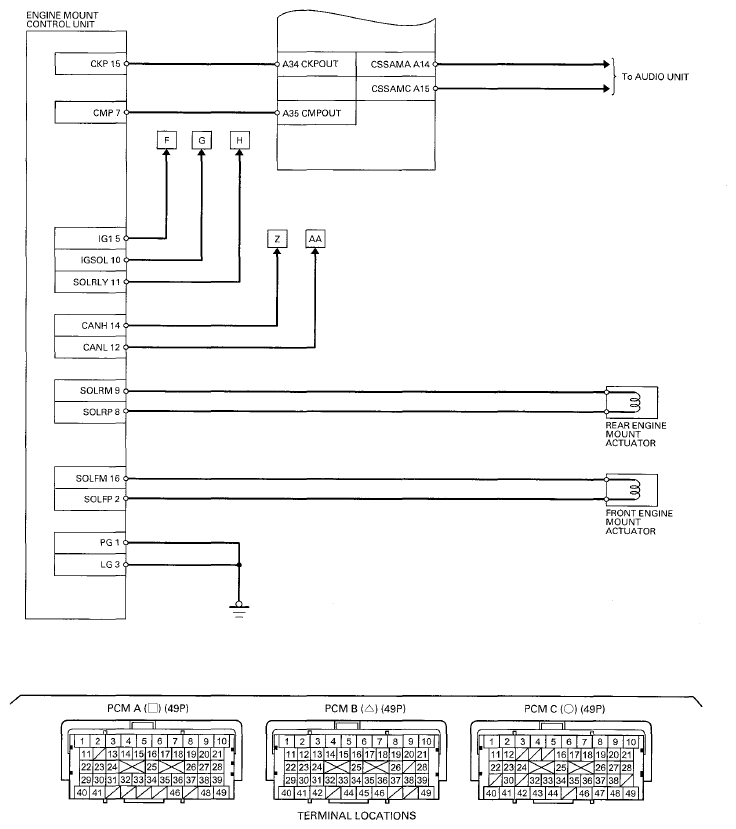
Fig 3: PCM Electrical Connections Circuit Diagram (3 Of 7)
G08078956Courtesy of AMERICAN HONDA MOTOR CO., INC.
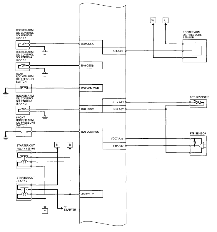
Fig 4: PCM Electrical Connections Circuit Diagram (4 Of 7)
G08078957Courtesy of AMERICAN HONDA MOTOR CO., INC.
Fig 5: PCM Electrical Connections Circuit Diagram (5 Of 7)
G08078958Courtesy of AMERICAN HONDA MOTOR CO., INC.
Fig 6: PCM Electrical Connections Circuit Diagram (6 Of 7)
G08078959Courtesy of AMERICAN HONDA MOTOR CO., INC.
Fig 7: PCM Electrical Connections Circuit Diagram (7 Of 7)
G08078960Courtesy of AMERICAN HONDA MOTOR CO., INC.