LEMON Manuals: Even more car manuals for everyone: 1960-2025
Home >> Honda >> 2014 >> Pilot EX, FWD >> Repair and Diagnosis >> External Pages >> Different car >> Section 152 (Entry Lights Control System) >> Circuit Diagram
April 5, 2026: LEMON Manuals is launched! Read the announcement.

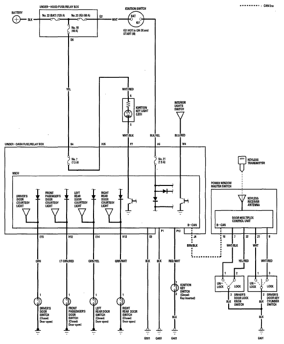
Circuit Diagram

WARNING: This page does not describe the selected car, but rather 6 other vehicles, including the 2014 Honda Ridgeline, 2013 Honda Ridgeline, 2012 Honda Ridgeline, 2011 Honda Ridgeline, and 2010 Honda Ridgeline. However, it is still accessible from the selected car via links, so may be relevant.
Fig 1: Entry Lights Control System - Circuit Diagram
G05968760Courtesy of AMERICAN HONDA MOTOR CO., INC.