LEMON Manuals: Even more car manuals for everyone: 1960-2025
Home >> Honda >> 2014 >> Pilot LX, 4WD >> Repair and Diagnosis (Single Page) >> Engine Performance >> System >> Advanced Diagnostics >> DTC P2118: Throttle Actuator Current Range/Performance Problem >> Notes
April 5, 2026: LEMON Manuals is launched! Read the announcement.

DTC P2118: Throttle Actuator Current Range/Performance Problem: Notes

NOTE: Check the label on the PCM to see if it was made by Keihin or Continental. Refer to the Service Manual Fuel and Emissions Systems' General Troubleshooting Information for more details.
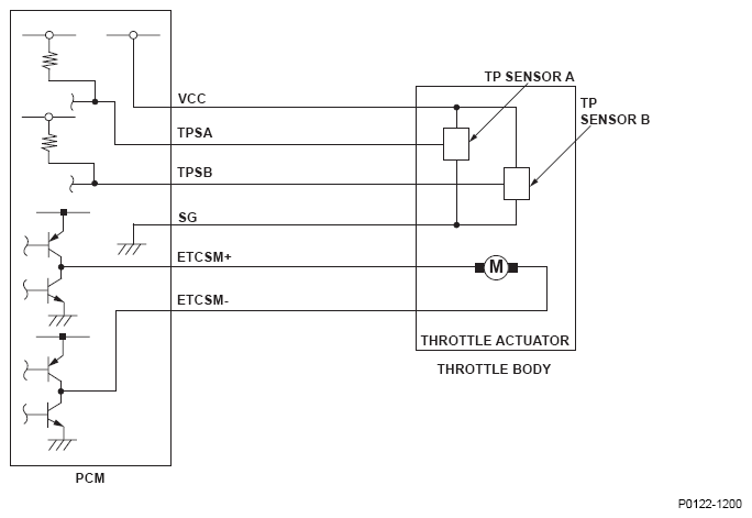
Fig 1: Throttle Position Sensor - Circuit Diagram
G08569011Courtesy of AMERICAN HONDA MOTOR CO., INC.