LEMON Manuals: Even more car manuals for everyone: 1960-2025
Home >> Hyundai >> 2005 >> Elantra GLS, 4D Hatchback, Standard >> Repair and Diagnosis >> Engine Performance >> Fuel System >> Gasoline Engine Control System >> Engine Control Module (ECM) >> Circuit Diagram
April 5, 2026: LEMON Manuals is launched! Read the announcement.

Circuit Diagram

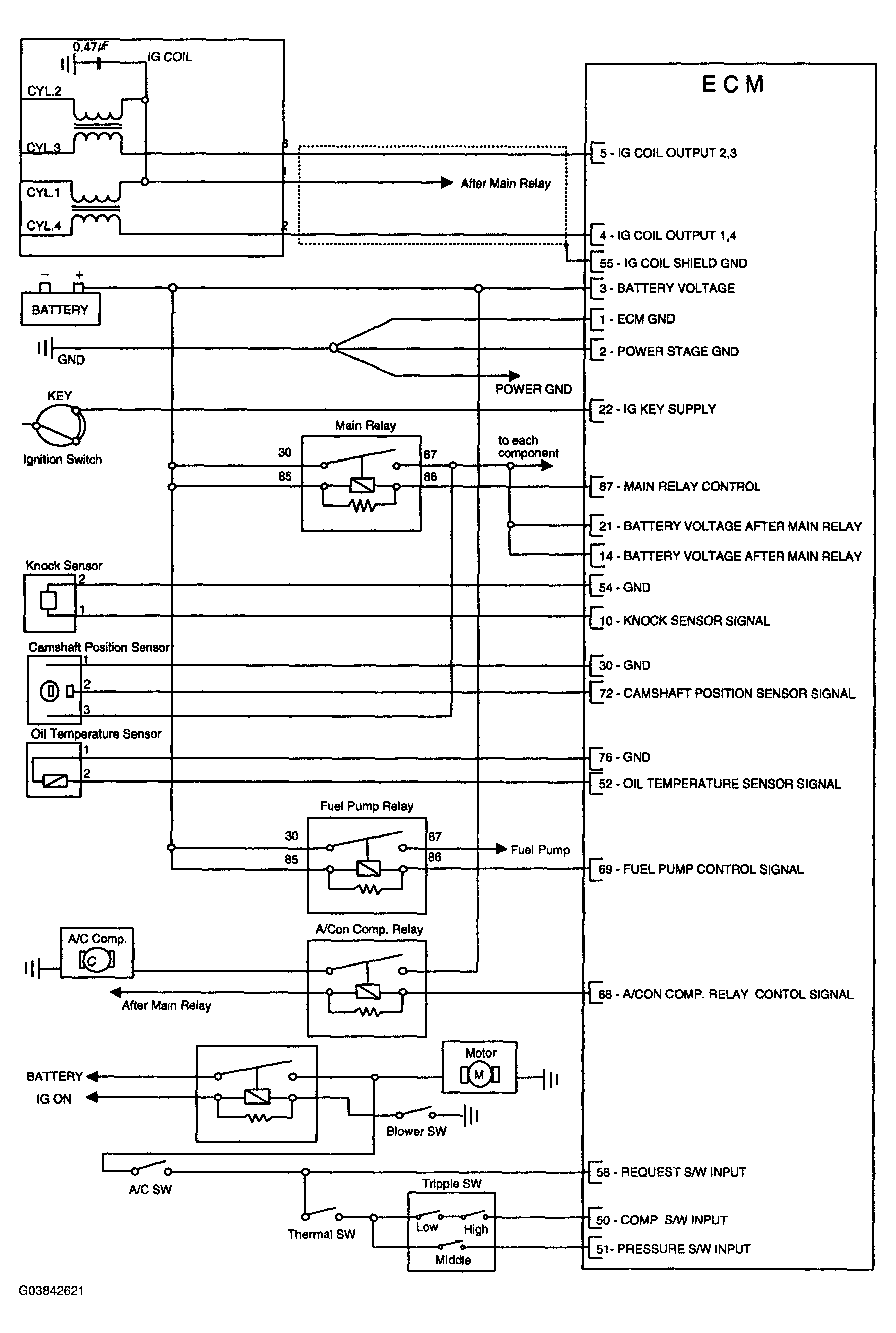
Fig 1: Fuel System Circuit Diagram (1 Of 3)
G03842621Courtesy of HYUNDAI MOTOR CO.
Fig 2: Fuel System Circuit Diagram (2 Of 3)
G03842622Courtesy of HYUNDAI MOTOR CO.
Fig 3: Fuel System Circuit Diagram (3 Of 3)
G03842623Courtesy of HYUNDAI MOTOR CO.