LEMON Manuals: Even more car manuals for everyone: 1960-2025
Home >> Infiniti >> 2001 >> I30 Base, RE4F04B >> Repair and Diagnosis >> Body & Frame >> Power Windows >> Schematic
April 5, 2026: LEMON Manuals is launched! Read the announcement.

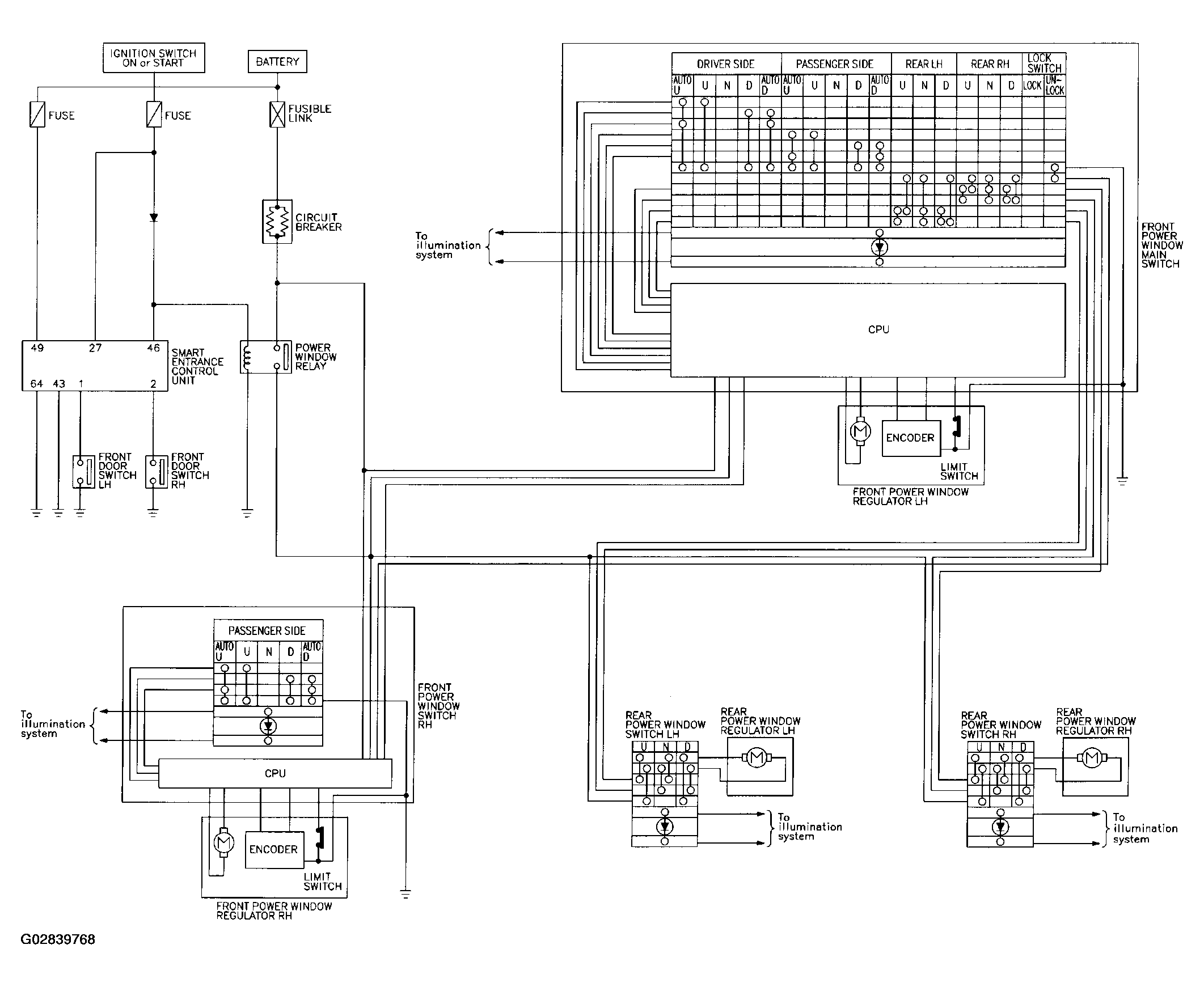
Power Windows: Schematic

Fig 1: Power Window Schematic Diagram
G02839768