LEMON Manuals: Even more car manuals for everyone: 1960-2025
Home >> Infiniti >> 2002 >> I35 >> Repair and Diagnosis >> Brakes >> Traction Control >> Anti-Lock/Traction Control >> Description
April 5, 2026: LEMON Manuals is launched! Read the announcement.

Anti-Lock/Traction Control: Description

WARNING: Vehicles are equipped with air bag supplemental restraint system. Before attempting any repairs involving steering column, instrument panel or related components, see SERVICE PRECAUTIONS and DISABLING & ACTIVATING AIR BAG SYSTEM in AIR BAG RESTRAINT SYSTEMS article.
CAUTION: See ANTI-LOCK BRAKE SAFETY PRECAUTIONS article in GENERAL INFORMATION.
CAUTION: When battery is disconnected, vehicle computer and memory systems may lose memory data. Driveability problems may exist until computer systems have completed a relearn cycle. See COMPUTER RELEARN PROCEDURES article in GENERAL INFORMATION before disconnecting battery.

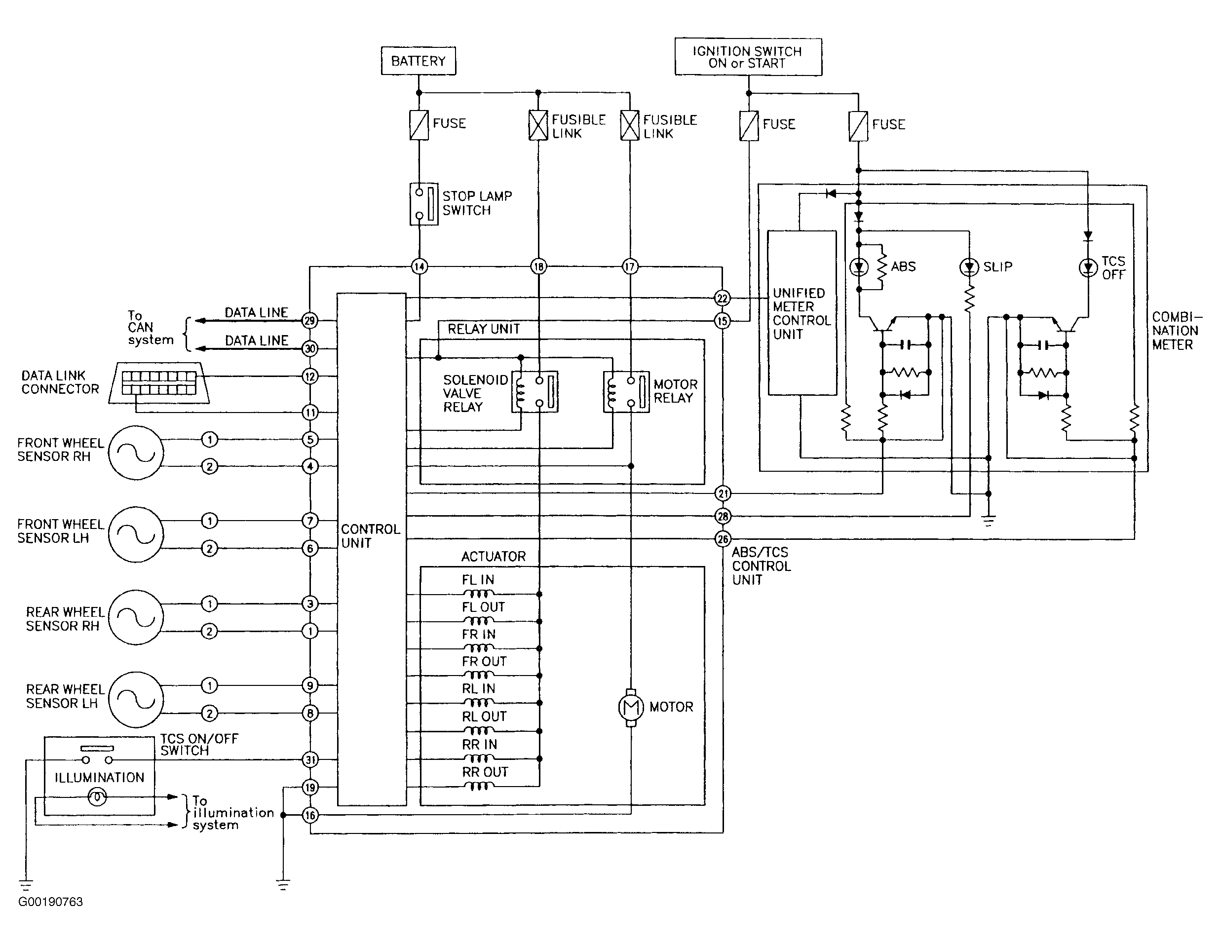
The Anti-Lock Brake System (ABS) prevents wheel lock-up during abrupt braking or when braking on slippery surfaces. ABS system detects wheel rotation rate and electronically controls fluid pressure applied to brakes. The Traction Control System (TCS) limits wheel spin during acceleration on slippery surfaces by cutting fuel to certain cylinders and changing transmission shift points. ABS/TCS components include ABS/TCS control unit, ABS actuator assembly, TCS Off switch, 2 front wheel sensors and 2 rear wheel sensors. See Fig 1 .

Fig 1: Identifying Anti-Lock/Traction Control System Components
G00190779Courtesy of NISSAN MOTOR CO., U.S.A.
Fig 2: Identifying ABS/TCS Schematic
G00190763Courtesy of NISSAN MOTOR CO., U.S.A.
NOTE: For more information on basic brake system and components, see DISC article.