LEMON Manuals: Even more car manuals for everyone: 1960-2025
Home >> Infiniti >> 2005 >> FX35 AWD >> Repair and Diagnosis >> Brakes >> Traction Control >> Brake Control System >> Trouble Diagnosis >> Schematic
April 5, 2026: LEMON Manuals is launched! Read the announcement.

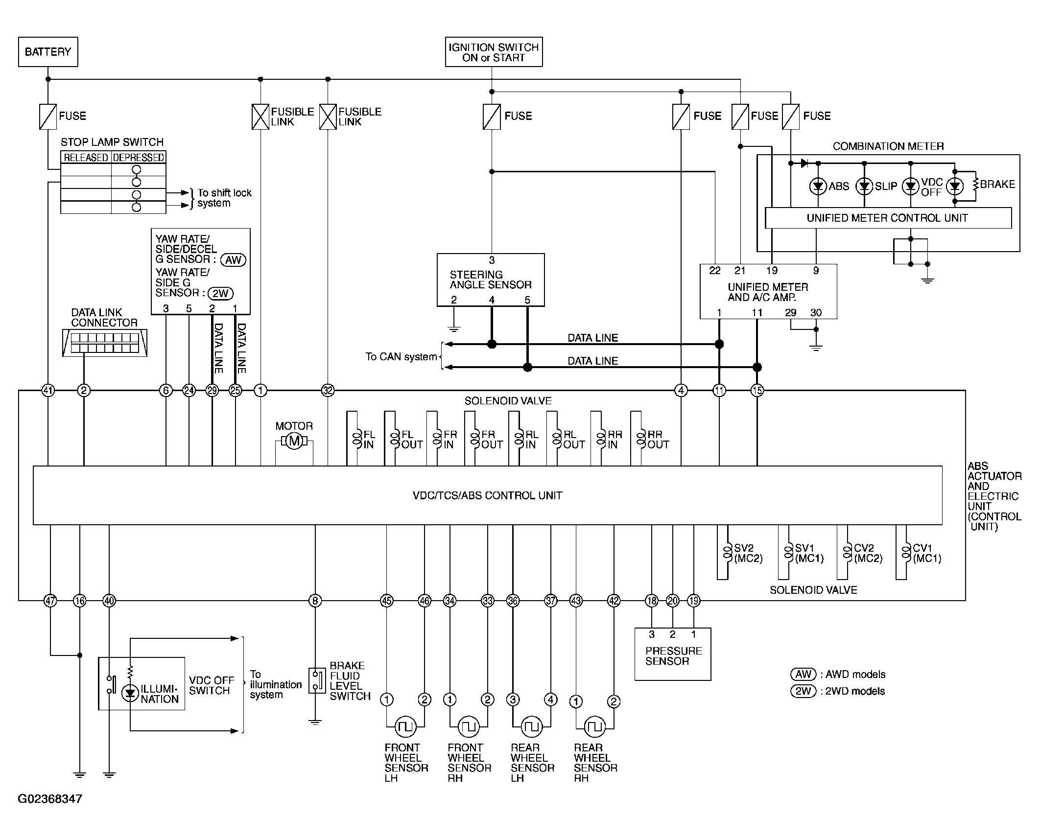
Trouble Diagnosis: Schematic

Fig 1: Brake Control System Schematic Diagram
G02368347Courtesy of NISSAN MOTOR CO., U.S.A.