LEMON Manuals: Even more car manuals for everyone: 1960-2025
Home >> Infiniti >> 2005 >> FX35 AWD >> Repair and Diagnosis >> Engine Performance >> Engine Control System - VQ35DE >> Snow Mode Switch >> Wiring Diagram
April 5, 2026: LEMON Manuals is launched! Read the announcement.

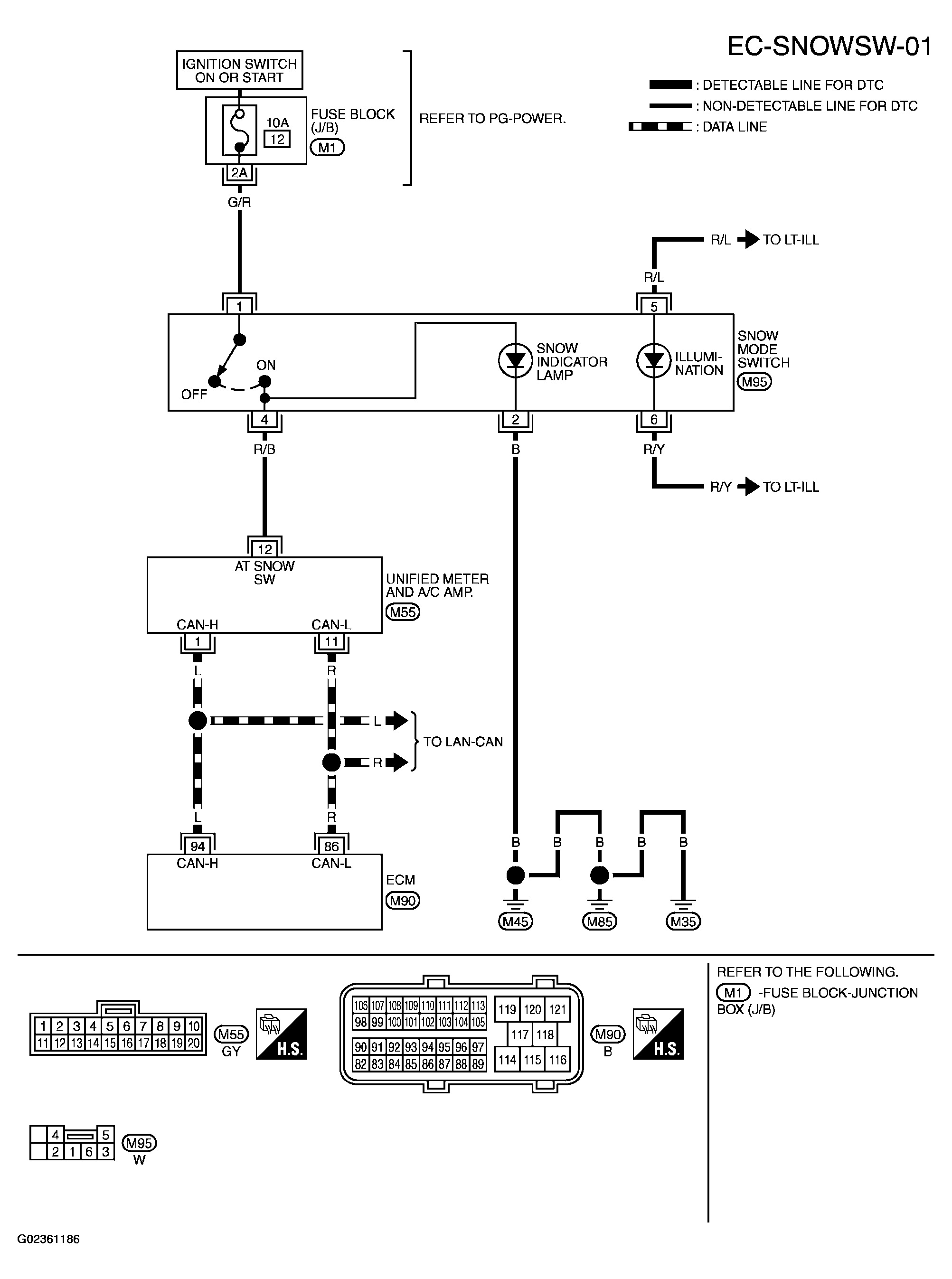
Snow Mode Switch: Wiring Diagram

Fig 1: Wiring Diagram - EC-SNOESW-01
G02361186Courtesy of NISSAN MOTOR CO., U.S.A.