LEMON Manuals: Even more car manuals for everyone: 1960-2025
Home >> Infiniti >> 2005 >> FX45 >> Repair and Diagnosis >> Engine Performance >> Engine Control System - VK45DE >> DTC P0181: FTT Sensor >> Wiring Diagram
April 5, 2026: LEMON Manuals is launched! Read the announcement.

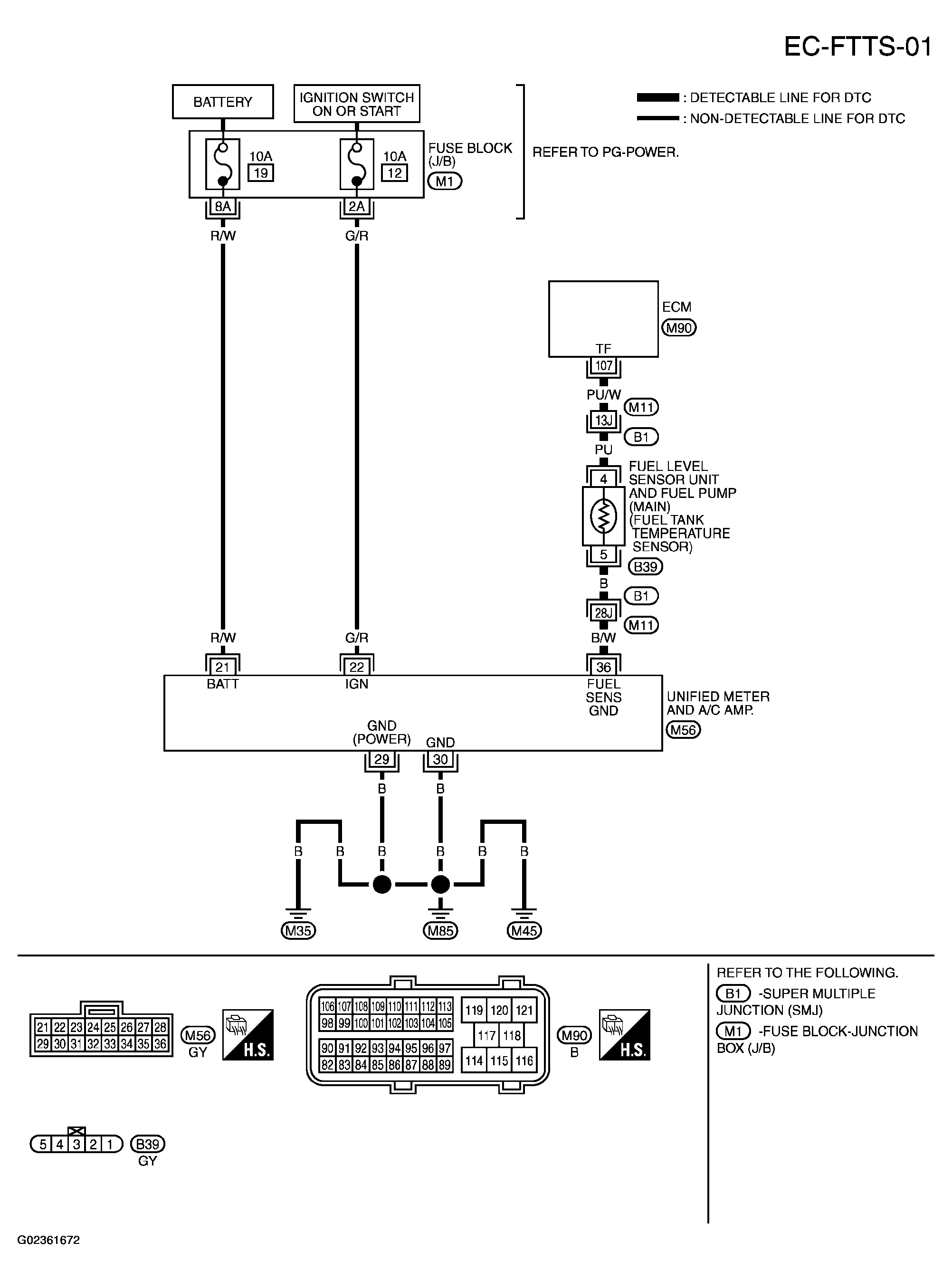
DTC P0181: FTT Sensor: Wiring Diagram

Fig 1: Wiring Diagram EC-FTTS-01
G02361672Courtesy of NISSAN MOTOR CO., U.S.A.