LEMON Manuals: Even more car manuals for everyone: 1960-2025
Home >> Infiniti >> 2005 >> FX45 >> Repair and Diagnosis >> Engine Performance >> Engine Control System - VK45DE >> Ignition Signal >> Wiring Diagram
April 5, 2026: LEMON Manuals is launched! Read the announcement.

Ignition Signal: Wiring Diagram

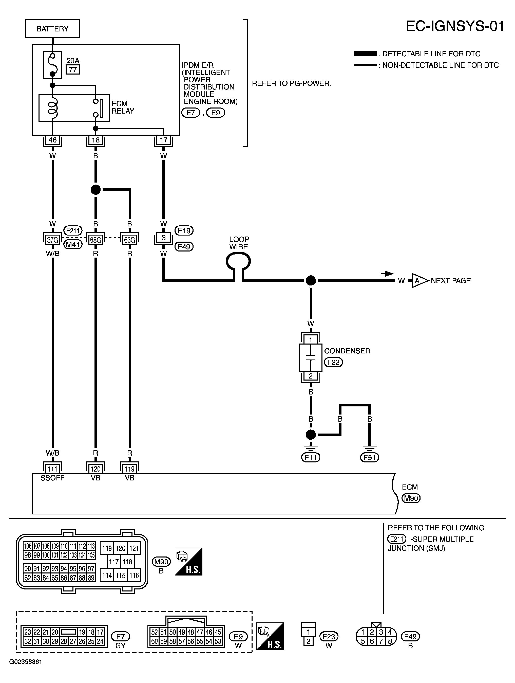
Fig 1: Wiring Diagram - EC-IGNSYS-01
G02358861Courtesy of NISSAN MOTOR CO., U.S.A.

Specification data are reference values and are measured between each terminal and ground.

CAUTION: Do not use ECM ground terminals when measuring input/output voltage. Doing so may result in damage to the ECM's transistor. Use a ground other than ECM terminals, such as the ground.
Fig 2: Terminal Description Chart
G02358862Courtesy of NISSAN MOTOR CO., U.S.A.
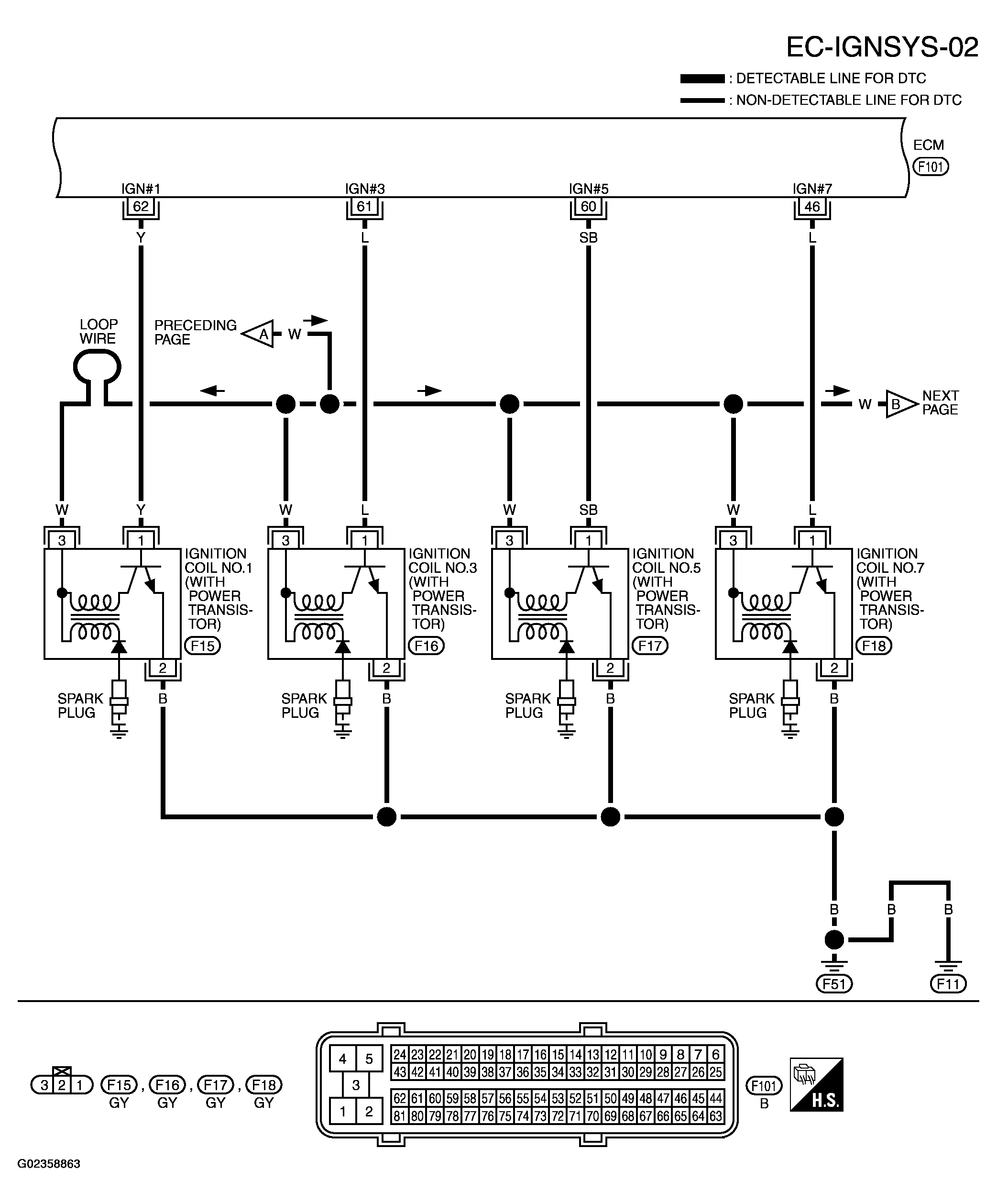
Fig 3: Wiring Diagram - EC-IGNSYS-02
G02358863Courtesy of NISSAN MOTOR CO., U.S.A.

Specification data are reference values and are measured between each terminal and ground. Pulse signal is measured by CONSULT-II.

CAUTION: Do not use ECM ground terminals when measuring input/output voltage. Doing so may result in damage to the ECM's transistor. Use a ground other than ECM terminals, such as the ground.
Fig 4: Terminal Description Chart
G02358864Courtesy of NISSAN MOTOR CO., U.S.A.
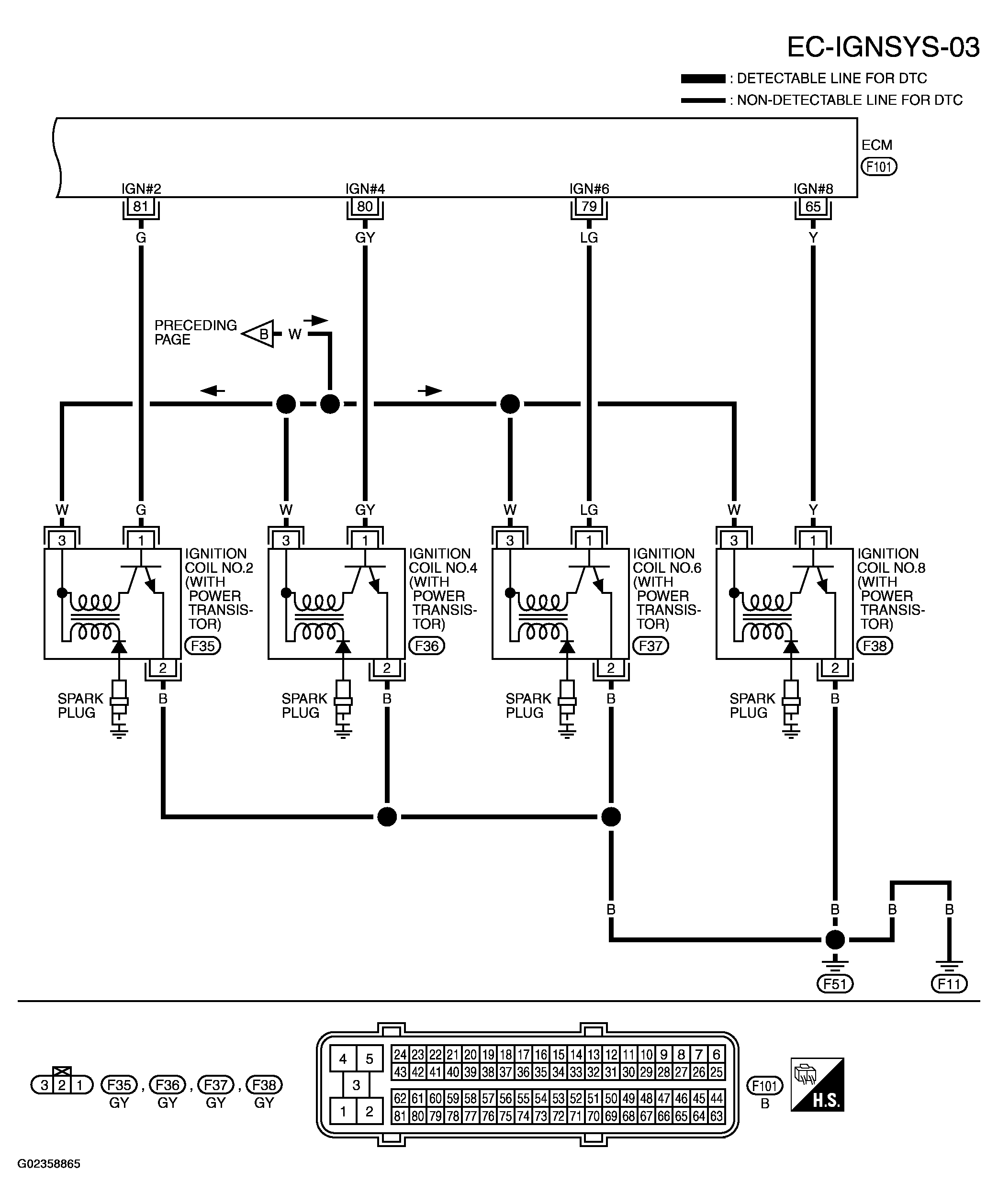
Fig 5: Wiring Diagram - EC-IGNSYS-03
G02358865Courtesy of NISSAN MOTOR CO., U.S.A.

Specification data are reference values and are measured between each terminal and ground. Pulse signal is measured by CONSULT-II.

CAUTION: Do not use ECM ground terminals when measuring input/output voltage. Doing so may result in damage to the ECM's transistor. Use a ground other than ECM terminals, such as the ground.
Fig 6: Terminal Description Chart
G02358866Courtesy of NISSAN MOTOR CO., U.S.A.