LEMON Manuals: Even more car manuals for everyone: 1960-2025
Home >> Infiniti >> 2005 >> FX45 >> Repair and Diagnosis >> Engine Performance >> Engine Control System - VK45DE >> Mil And Data Link Connector >> Wiring Diagram
April 5, 2026: LEMON Manuals is launched! Read the announcement.

Mil And Data Link Connector: Wiring Diagram

Fig 1: Wiring Diagram EC-MIL/DL-01
G02358956Courtesy of NISSAN MOTOR CO., U.S.A.
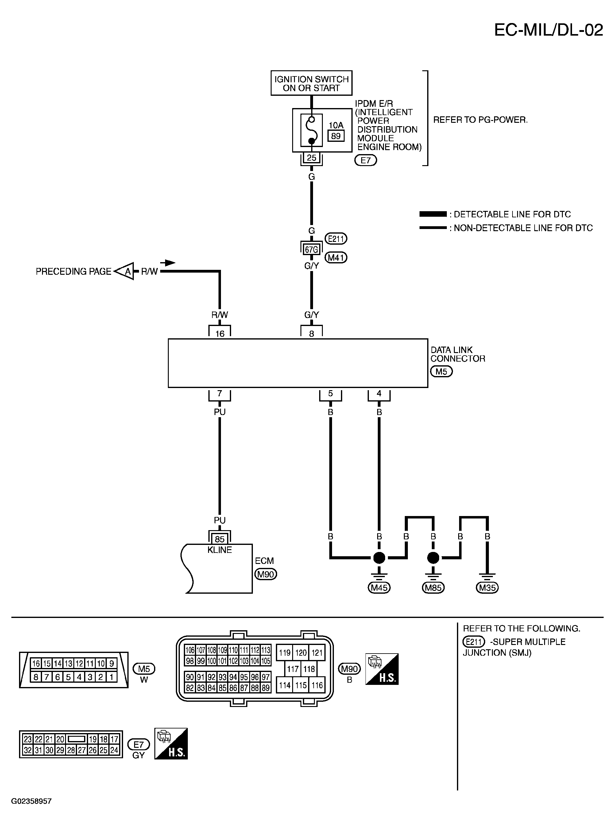
Fig 2: Wiring Diagram EC-MIL/DL-02
G02358957Courtesy of NISSAN MOTOR CO., U.S.A.