LEMON Manuals: Even more car manuals for everyone: 1960-2025
Home >> Infiniti >> 2005 >> FX45 >> Repair and Diagnosis >> External Pages >> Different car >> Section 249 (Engine Control System (Qr) - Component Testing) >> Ignition Signal >> Wiring Diagram
April 5, 2026: LEMON Manuals is launched! Read the announcement.

Ignition Signal: Wiring Diagram

WARNING: This page is about a different car, the 2005 Nissan Frontier. However, it is still accessible from the selected car via links, so may be relevant.
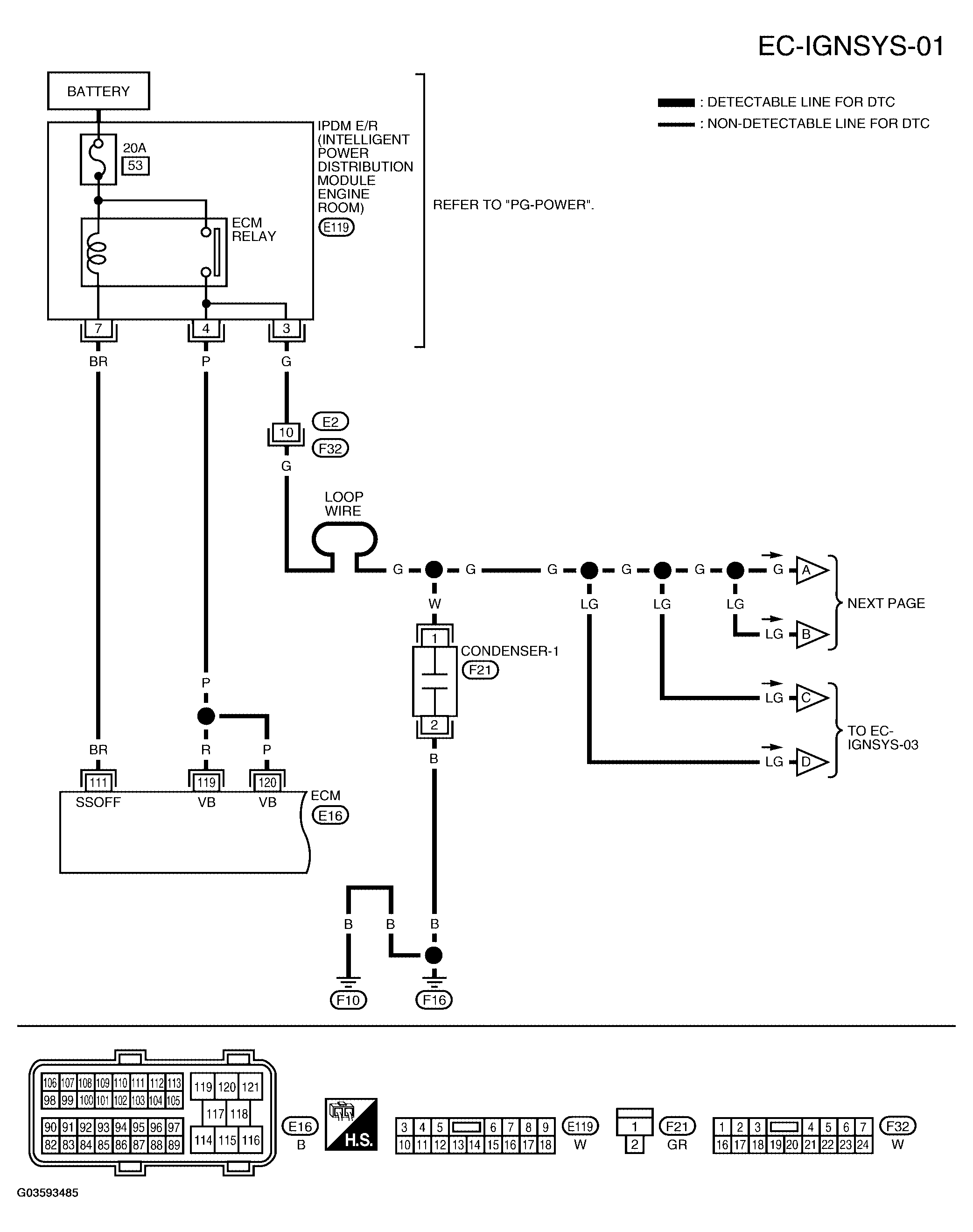
Fig 1: Wiring Diagram - EC-IGNSYS-01
G03593485Courtesy of NISSAN MOTOR CO., U.S.A.

Specification data are reference values and are measured between each terminal and ground.

CAUTION: Do not use ECM ground terminals when measuring input/output voltage. Doing so may result in damage to the ECM's transistor. Use a ground other than ECM terminals, such as the ground.
ECM TERMINALS 111, 119 & 120 VOLTAGE REFERENCE

TERMINAL NO. WIRE COLOR ITEM CONDITION DATA (DC Voltage)
111 BR ECM relay (Self shut-off) [Engine is running] 
[Ignition switch: OFF] 
  • A few seconds after turning ignition switch OFF
0 - 1.0V
[Ignition switch: OFF] 
  • More than a few seconds after turning ignition switch OFF
BATTERY VOLTAGE (11 - 14V)
119
120
R
P
Power supply for ECM [Ignition switch: ON]  BATTERY VOLTAGE (11 - 14V)
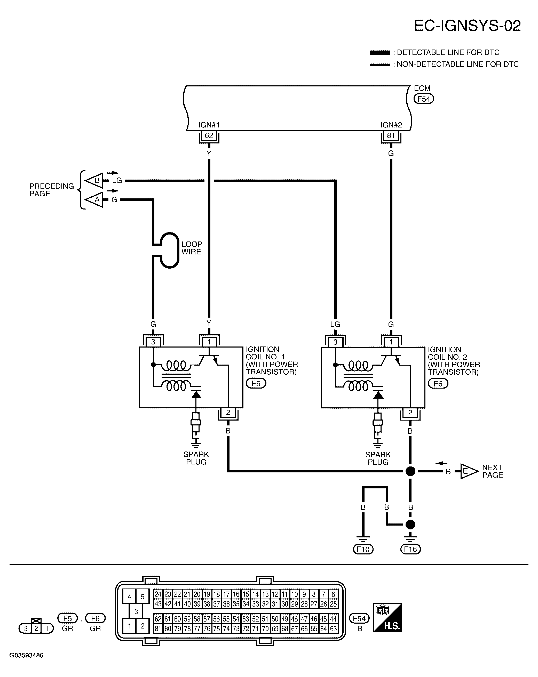
Fig 2: Wiring Diagram - EC-IGNSYS-02
G03593486Courtesy of NISSAN MOTOR CO., U.S.A.

Specification data are reference values and are measured between each terminal and ground. Pulse signal is measured by CONSULT-II.

CAUTION: Do not use ECM ground terminals when measuring input/output voltage. Doing so may result in damage to the ECM's transistor. Use a ground other than ECM terminals, such as the ground.
Fig 3: ECM Ground Terminals Input/Output Voltage Reference Chart
G03593487Courtesy of NISSAN MOTOR CO., U.S.A.
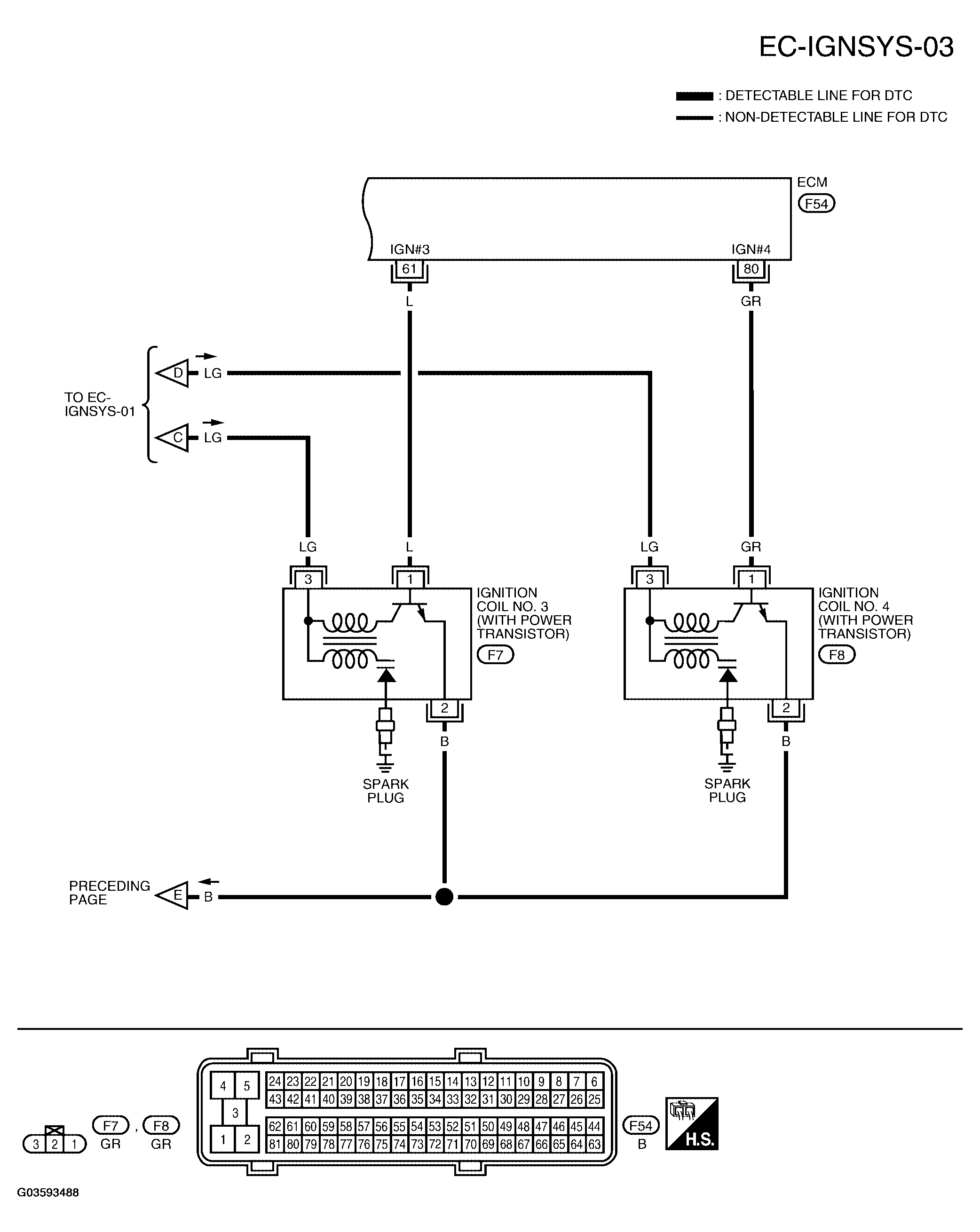
Fig 4: Wiring Diagram - EC-IGNSYS-03
G03593488Courtesy of NISSAN MOTOR CO., U.S.A.

Specification data are reference values and are measured between each terminal and ground. Pulse signal is measured by CONSULT-II.

CAUTION: Do not use ECM ground terminals when measuring input/output voltage. Doing so may result in damage to the ECM's transistor. Use a ground other than ECM terminals, such as the ground.
Fig 5: ECM Ground Terminals Input/Output Voltage Reference Chart
G03593489Courtesy of NISSAN MOTOR CO., U.S.A.