LEMON Manuals: Even more car manuals for everyone: 1960-2025
Home >> Infiniti >> 2005 >> FX45 >> Repair and Diagnosis >> Suspension >> Wheel Alignment >> Front Suspension >> Front Suspension Assembly >> Components
April 5, 2026: LEMON Manuals is launched! Read the announcement.

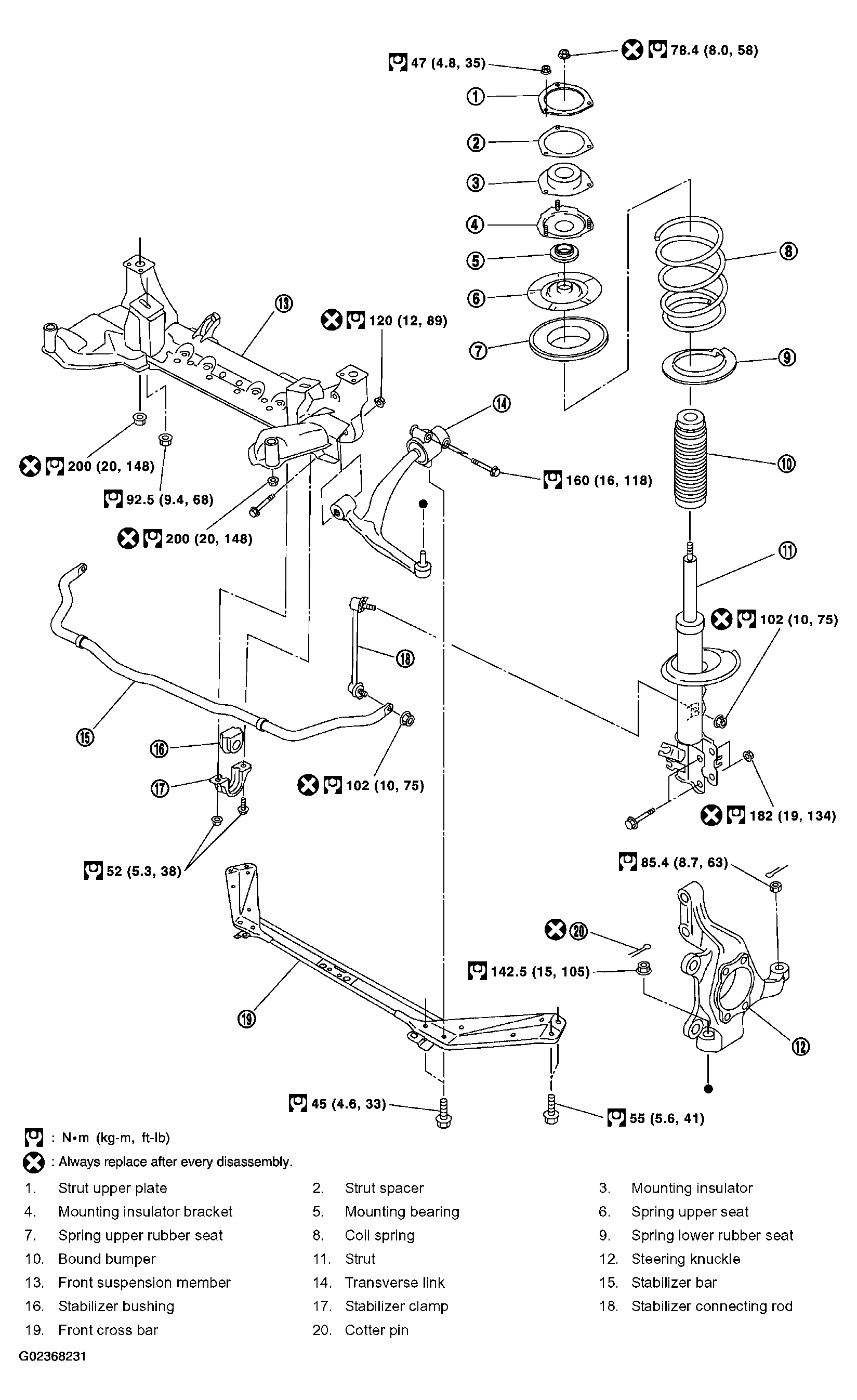
Front Suspension Assembly: Components

Fig 1: Exploded View Of Front Suspension With Torque Specifications
G02368231Courtesy of NISSAN MOTOR CO., U.S.A.