LEMON Manuals: Even more car manuals for everyone: 1960-2025
Home >> Infiniti >> 2005 >> G35 x >> Repair and Diagnosis >> Body & Frame >> Windows >> Power Window System - Sedan >> Power Window System >> Schematic/With Front And Rear Power Window Anti-Pinch System
April 5, 2026: LEMON Manuals is launched! Read the announcement.

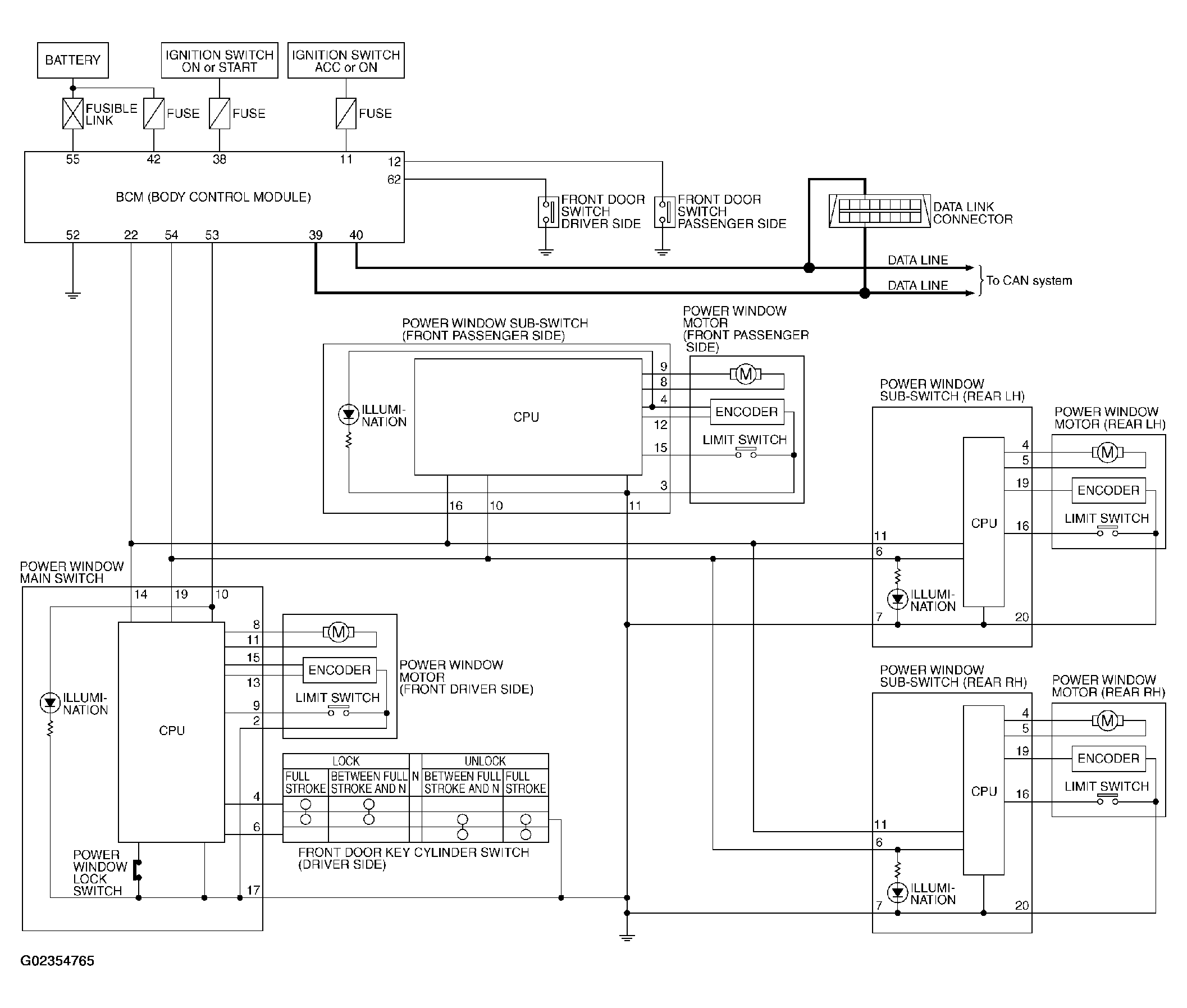
Schematic/With Front And Rear Power Window Anti-Pinch System

Fig 1: Front And Rear Power Window Anti-Pinch System Schematic
G02354765Courtesy of NISSAN MOTOR CO., U.S.A.