LEMON Manuals: Even more car manuals for everyone: 1960-2025
Home >> Infiniti >> 2005 >> G35 x >> Repair and Diagnosis >> Engine Performance >> Engine Control System - Sedan >> Mil And Data Link Connector >> Wiring Diagram
April 5, 2026: LEMON Manuals is launched! Read the announcement.

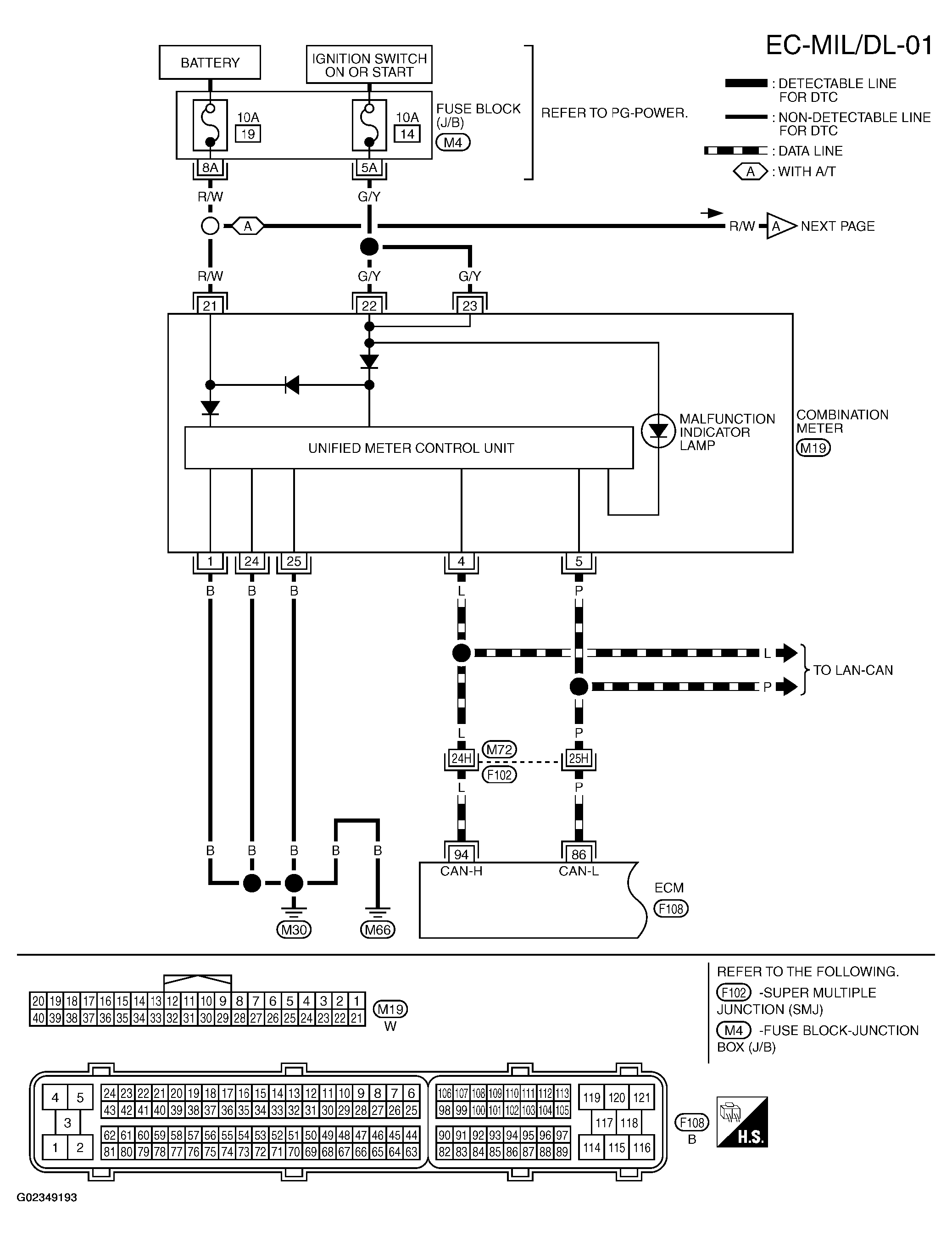
Mil And Data Link Connector: Wiring Diagram

Fig 1: Wiring Diagram (1 of 2)
G02349193Courtesy of NISSAN MOTOR CO., U.S.A.
Fig 2: Wiring Diagram (2 of 2)
G02349194Courtesy of NISSAN MOTOR CO., U.S.A.