LEMON Manuals: Even more car manuals for everyone: 1960-2025
Home >> Infiniti >> 2005 >> Q45 >> Repair and Diagnosis (Single Page) >> Engine Performance >> System >> Engine Control System - Introduction >> Trouble Diagnosis >> Circuit Diagram
April 5, 2026: LEMON Manuals is launched! Read the announcement.

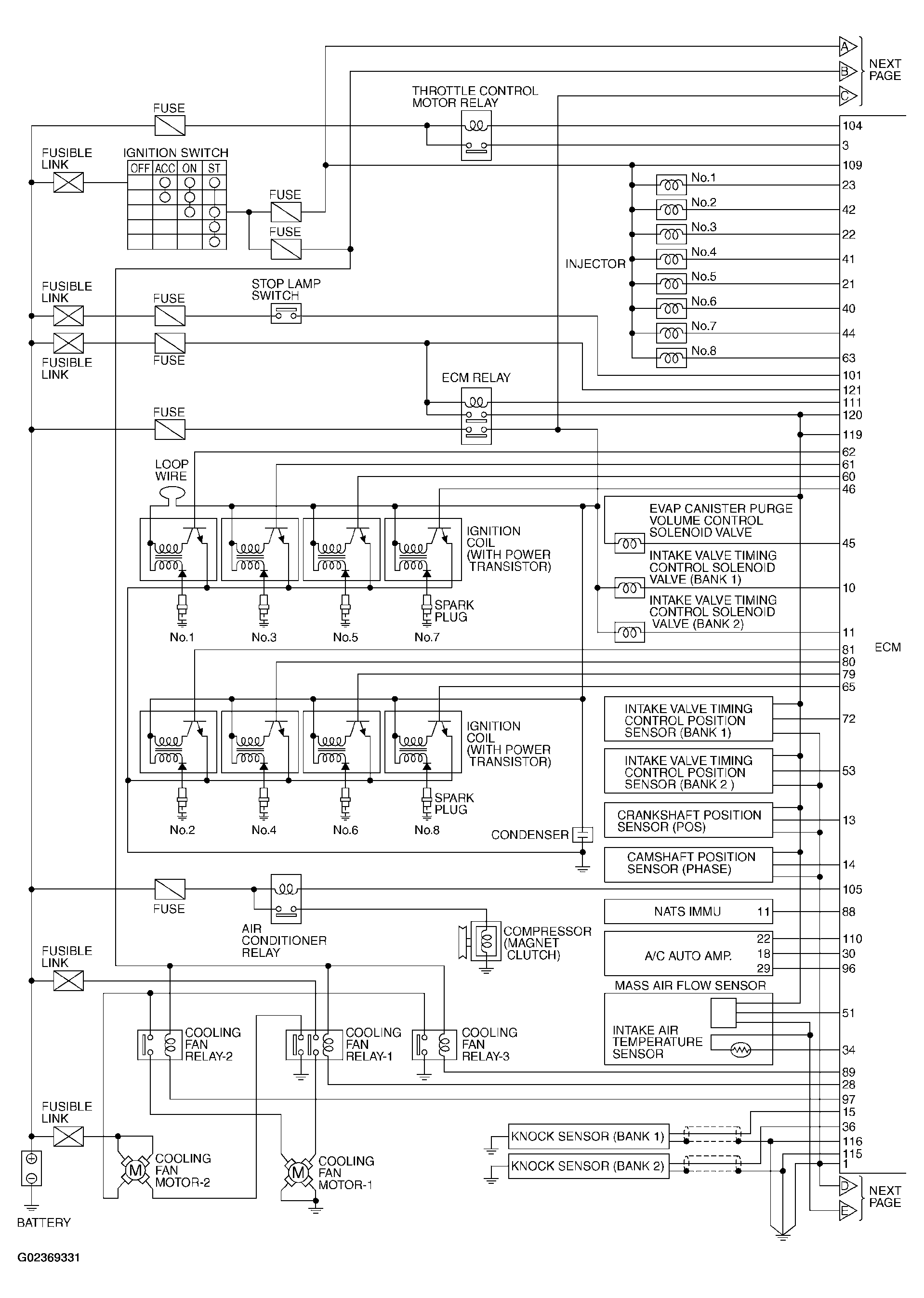
Circuit Diagram

Fig 1: Engine Control System - Circuit Diagram (1 Of 2)
G02369331Courtesy of NISSAN MOTOR CO., U.S.A.
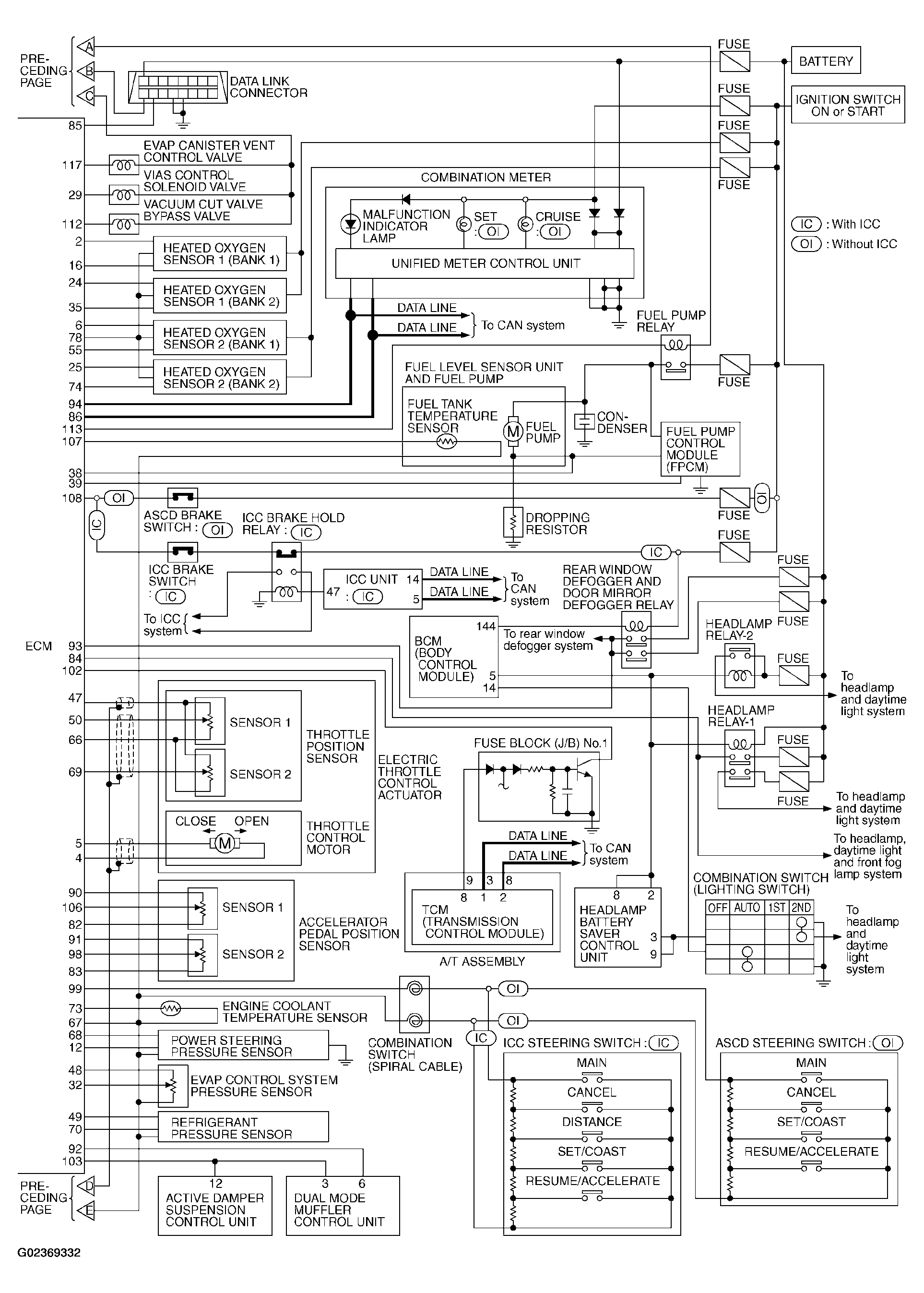
Fig 2: Engine Control System - Circuit Diagram (1 Of 2)
G02369332Courtesy of NISSAN MOTOR CO., U.S.A.