LEMON Manuals: Even more car manuals for everyone: 1960-2025
Home >> Infiniti >> 2005 >> Q45 >> Repair and Diagnosis (Single Page) >> Engine Performance >> System >> Engine Control System - System Testing >> Injector Circuit >> Wiring Diagram
April 5, 2026: LEMON Manuals is launched! Read the announcement.

Injector Circuit: Wiring Diagram

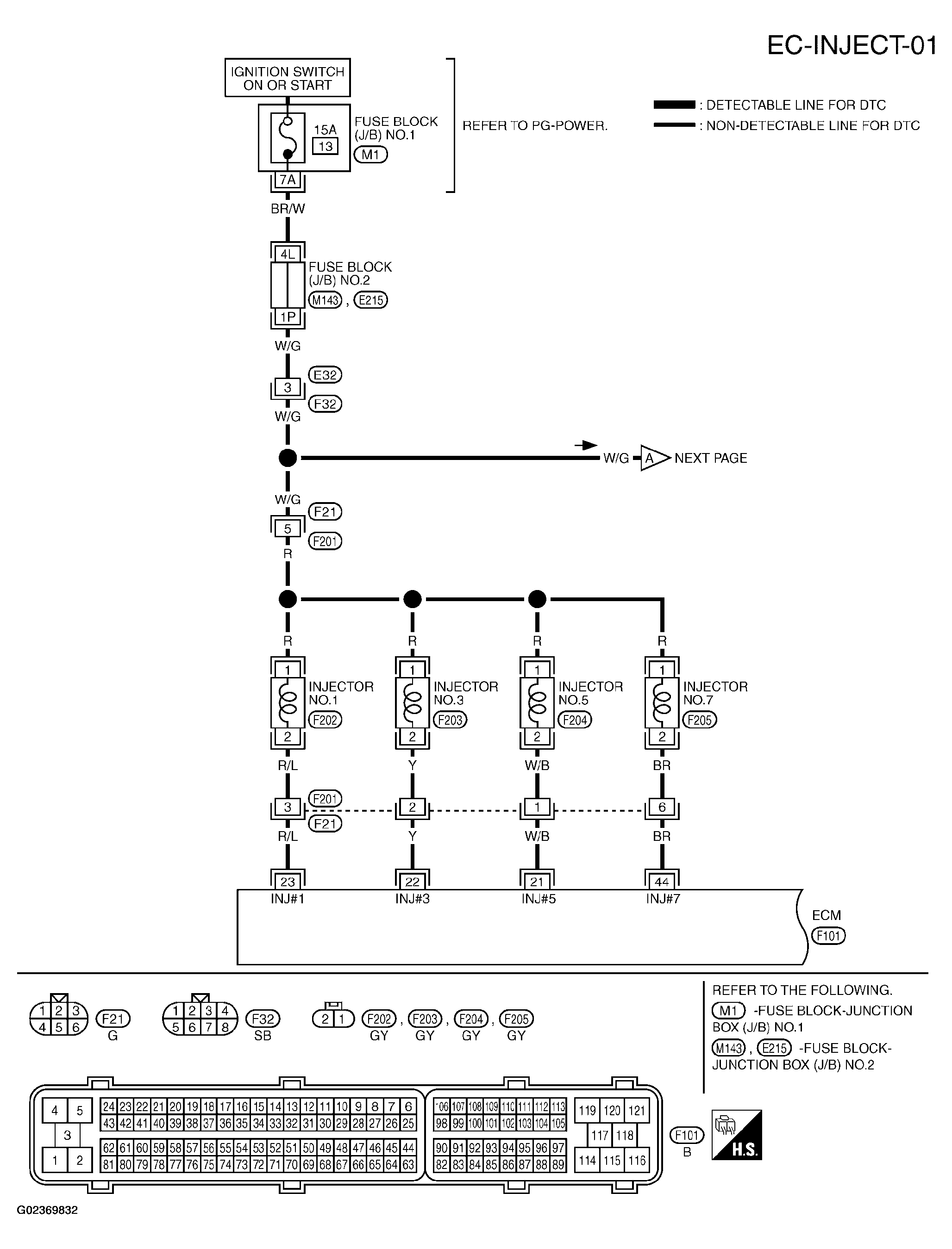
Fig 1: Wiring Diagram - EC-INJECT-01
G02369832Courtesy of NISSAN MOTOR CO., U.S.A.

Specification data are reference values and are measured between each terminal and ground.

Pulse signal is measured by CONSULT-II.

CAUTION: Do not use ECM ground terminals when measuring input/output voltage. Doing so may result in damage to the ECM's transistor. Use a ground other than ECM terminals, such as the ground.
Fig 2: Injector Connector Terminals Voltage And Pulse Signal Chart
G02369833Courtesy of NISSAN MOTOR CO., U.S.A.
Fig 3: Wiring Diagram - EC-INJECT-02
G02369834Courtesy of NISSAN MOTOR CO., U.S.A.

Specification data are reference values and are measured between each terminal and ground. Pulse signal is measured by CONSULT-II.

CAUTION: Do not use ECM ground terminals when measuring input/output voltage. Doing so may result in damage to the ECM's transistor. Use a ground other than ECM terminals, such as the ground.
Fig 4: Injector Connector Terminals Voltage And Pulse Signal Chart
G02369835Courtesy of NISSAN MOTOR CO., U.S.A.