LEMON Manuals: Even more car manuals for everyone: 1960-2025
Home >> Infiniti >> 2005 >> Q45 >> Repair and Diagnosis >> Engine Performance >> System >> Engine Control System - Introduction >> Power Supply And Ground Circuit >> Wiring Diagram
April 5, 2026: LEMON Manuals is launched! Read the announcement.

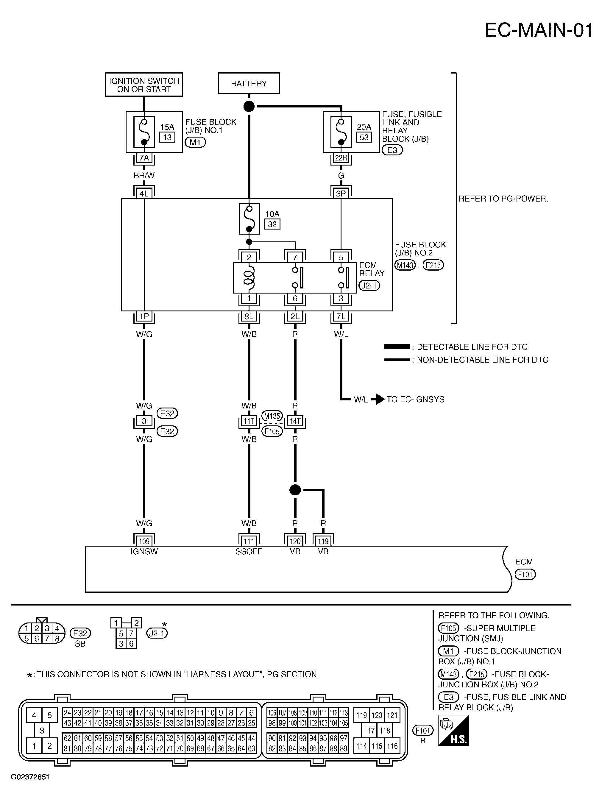
Power Supply And Ground Circuit: Wiring Diagram

Fig 1: Power Supply Circuit - Wiring Diagram (EC-MAIN-01)
G02372651Courtesy of NISSAN MOTOR CO., U.S.A.

Specification data are reference values and are measured between each terminal and ground.

CAUTION: Do not use ECM ground terminals when measuring input/output voltage. Doing so may result in damage to the ECM's transistor. Use a ground other than ECM terminals, such as the ground.
Fig 2: ECM Connector Terminals Voltage Specification Chart (EC-MAIN-01)
G02372652Courtesy of NISSAN MOTOR CO., U.S.A.
Fig 3: Power Supply Circuit - Wiring Diagram (EC-MAIN-02)
G02372653Courtesy of NISSAN MOTOR CO., U.S.A.

Specification data are reference values and are measured between each terminal and ground.

CAUTION: Do not use ECM ground terminals when measuring input/output voltage. Doing so may result in damage to the ECM's transistor. Use a ground other than ECM terminals, such as the ground.
VOLTAGE SPECIFICATION

TERMINAL NO. WIRE COLOR ITEM CONDITION DATA (DC Voltage)
1 B ECM ground [Engine is running] 
  • Idle speed
Body ground
115
116
B
B
ECM ground [Engine is running] 
  • Idle speed
Body ground