LEMON Manuals: Even more car manuals for everyone: 1960-2025
Home >> Infiniti >> 2005 >> QX56 AWD >> Repair and Diagnosis >> Engine Performance >> Engine Control System >> DTC P0340: CMP Sensor (Phase) >> Wiring Diagram
April 5, 2026: LEMON Manuals is launched! Read the announcement.

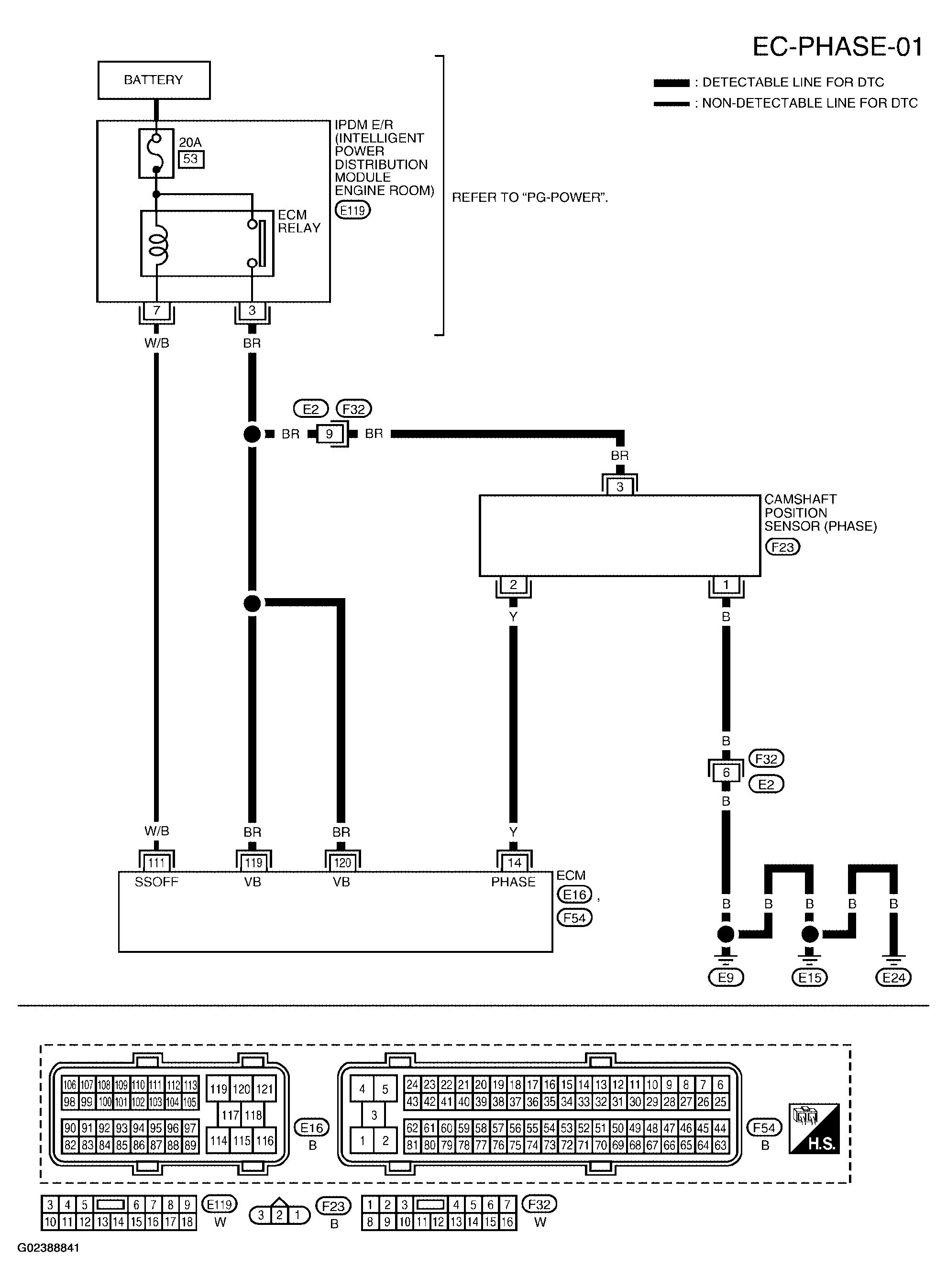
DTC P0340: CMP Sensor (Phase): Wiring Diagram

Fig 1: Wiring Diagram - EC-PHASE-01
G02388841Courtesy of NISSAN MOTOR CO., U.S.A.

Specification data are reference values and are measured between each terminal and ground.

Pulse signal is measured by CONSULT-II.

CAUTION: Do not use ECM ground terminals when measuring input/output voltage. Doing so may result in damage to the ECM's transistor. Use a ground other than ECM terminals, such as the ground.
Fig 2: DTC P0340 Camshaft Position (CMP) Sensor (PHASE) - Specification Data
G02388842Courtesy of NISSAN MOTOR CO., U.S.A.